نظرة عامة
يتكون من وحدة طاقة تعمل بمقاومة حساسة للجهد، وقاعدة. يُستخدم للحماية من المستوى الثاني لـ L-N وN-PE على التوالي.
خصائص
1. تتميز الوحدة القابلة للإدخال بميزة.
2. سعة تحمل تيار عالية، وجهد متبقي منخفض.
3. مزود بحماية ضد ارتفاع درجة الحرارة؛.
4. مزود بمؤشرعطل ونقطة اتصال جافة لإنذار مركزي عن بعد.
5. درجة حماية الغلاف IP 20، ودرجة مقاومة الحريق UL 94 V-0.
معايير التنفيذ
IEC 61643-11: 2011; EN 61643-11: 2012
بيئة الاستخدا

المؤشرات الفنية

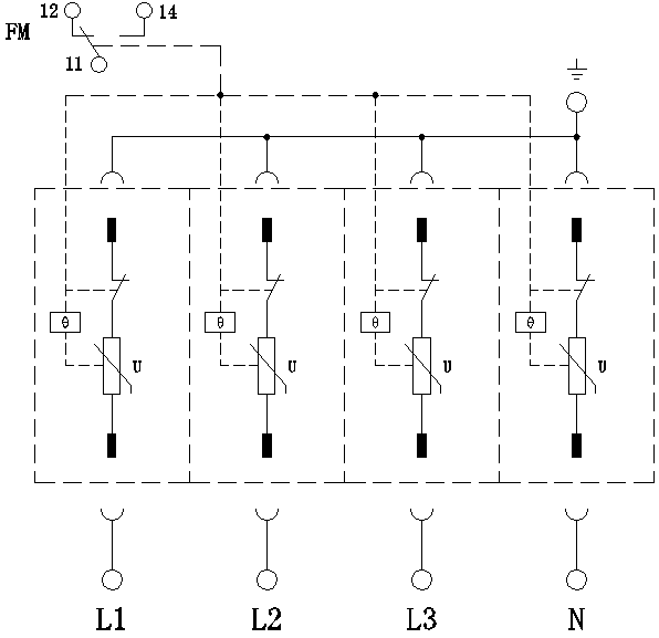
مخطط دائرة كهربائية
الهيكل الخارجي