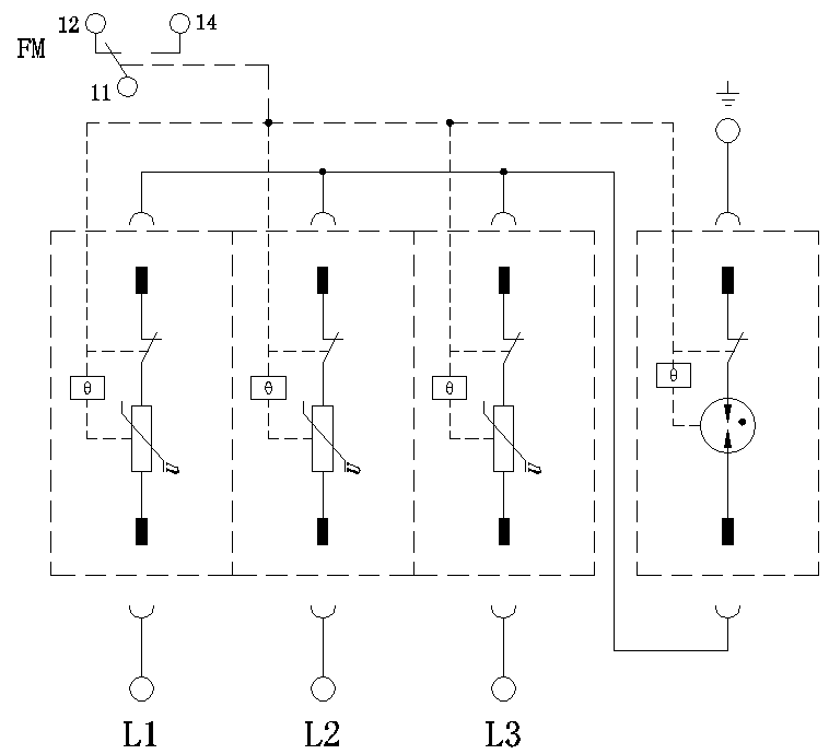
نظرة عامة
يتكون من وحدة طاقة تعمل بمقاومة حساسة للجهد، ووحدة طاقة تعمل بأنبوب تفريغ غازي، وقاعدة. يُستخدم للحماية من المستوى الثاني لـ L-N وN-PE على التوالي.
خصائص
1. تتميز الوحدة القابلة للإدخال بميزة منع الإدخال العكسي والإدخال الخاطئ.
2. سعة تحمل تيار عالية، وجهد متبقي منخفض.
3. مزود بحماية ضد ارتفاع درجة الحرارة.
4. مزود بمؤشرعطل ونقطة اتصال جافة لإنذار مركزي عن بعد.
5. درجة حماية الغلاف IP 20، ودرجة مقاومة الحريق UL 94 V-0.
معايير التنفيذ
IEC 61643-11: 2011; EN 61643-11: 2012
بيئة الاستخدام

المؤشرات الفنية

مخطط دائرة كهربائية