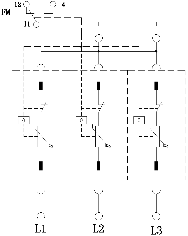
نظرة عامة
يتألف من وحدة مقاومة فولتية حساسة للجهد ،وحدة أنبوب التفريغ الغازي، ويتميز بوضع حماية L-PE.
خصائص
1. تتميز الوحدة القابلة للإدخال بميزة منع الإدخال العكسي والإدخال الخاطئ.
2. سعة تحمل تيار عالية، وجهد متبقي منخفض.
3. مزود بحماية ضد ارتفاع درجة الحرارة.
4. مزود بمؤشرعطل ونقطة اتصال جافة لإنذار مركزي عن بعد.
5. درجة حماية الغلاف IP 20، ودرجة مقاومة الحريق UL 94 V-0.
معايير التنفيذ
UL1449; IEC 61643-11: 2011; EN 61643-11: 2012
بيئة الاستخدام

المؤشرات الفنية
مخطط دائرة كهربائية