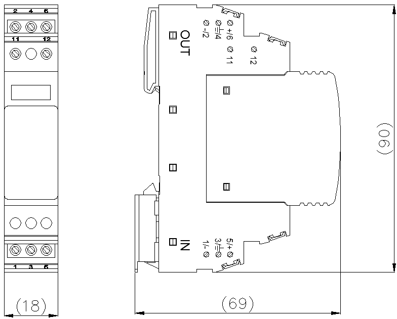
نظرة عامة
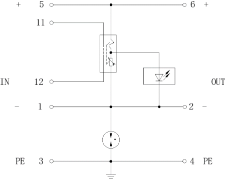
يتكون من رأس وحدة الطاقة والقاعدة، ويُستخدم للحماية من المستوى الثاني أو الثالث في أنظمة التيار المستمر (+ — -، - — PE). يتم توصيله على التوالي أو التوازي بين مصدر الطاقة المستمر ومعدات النظام، لحماية الأجهزة من التلف الناتج عن النبضات الكهربائية المفاجئة وارتفاع الجهد العابر الناجم عن عوامل خارجية (مثل الصواعق والتداخل الكهرومغناطيسي) أو داخلية (مثل تأثيرات تشغيل/إيقاف النظام، بدء/إيقاف الأحمال الحثية والسعوية).
خصائص
1. تتميز الوحدة القابلة للإدخال بميزة منع الإدخال العكسي والإدخال الخاطئ.
2. جهد متبقي منخفض.
3. مزود بحماية ضد ارتفاع درجة الحرارة.
4. مزود بمؤشرعطل ونقطة اتصال جافة لإنذار مركزي عن بعد.
5. درجة حماية الغلاف IP 20، ودرجة مقاومة الحريق UL 94 V-0.
معايير التنفيذ
IEC 61643-11: 2011EN 61643-11: 2012;
بيئة الاستخدام

المؤشرات الفني
مخطط دائرة كهربائية