四川中光防雷科技股份有限公司
المنتج


نظرة عامة
يتكون من مادة MOV، وعلبة مقاومة للاشتعال، ومكونات معدنية، وطريقة تركيب على لوحة الدوائر المطبوعة. يتميز بمقاومة الحريق، والحماية من التيار الزائد والسخونة الزائدة، ووظيفة الإنذار عن بعد. يُستخدم بشكل رئيسي في الحماية من زيادة التيار من المستوى الثاني والثالث في أنظمة توزيع الطاقة ذات الجهد المنخفض للتيار المتردد والتيار المستمر والمعدات الكهربائية.
 
خصائص
حجم صغير، سعة تيار عالية، وقت استجابة سريع، عدم وجود تيار متبقي.
 
معايير التنفيذ
 IEC 61643-11: 2011; EN 61643-11: 2012; UL1449 Ed.4; EN 50539-11: 2013
 
بيئة الاستخدام
المؤشرات الفنية

 


مخطط دائرة كهربائية

 

 
الهيكل الخارجي
 
 
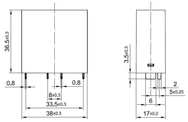
رسم الأبعاد الخارجية
 
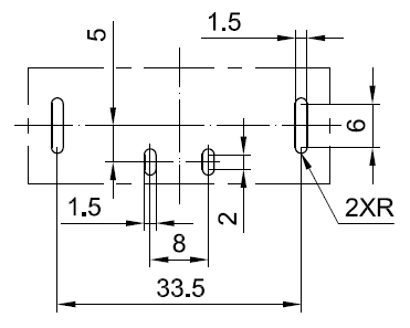
حفر ثقوب لوحة الدوائر المطبوعة