نظرة عامة
يُستخدم واقي زيادة الجهد لوحدة الطاقة بشكل رئيسي للحماية من المستوى الثالث لأنظمة توزيع الطاقة المنخفضة الجهد والمعدات الكهربائية. يتكون من مادة MOV، وعلبة مقاومة للاشتعال، ومكونات معدنية، وطريقة تركيب على لوحة الدوائر المطبوعة. يتميز بمقاومة الحريق، والحماية من التيار الزائد والسخونة الزائدة، ووظيفة الإنذار عن بعد.
خصائص
حجم صغير، سعة تيار عالية، وقت استجابة سريع، عدم وجود تيار متبقي، وظيفة إنذار عن بع.
معايير التنفيذ
IEC 61643-11: 2011; EN 61643-11: 2012; UL1449 Ed.4
بيئة الاستخدام

المؤشرات الفنية
مخطط دائرة كهربائية
الهيكل الخارجي
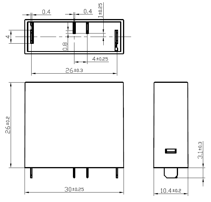
رسم الأبعاد الخارجية
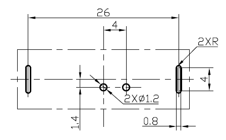
حفر ثقوب لوحة الدوائر المطبوعة