Übersicht
ZGXM-MZ2J-24c Wird zum Schutz von industriellen Steuerungsnetzwerken, RS485/422-Schnittstellen, Standleitungen, Automations- und Messtechnikleitungen, Datenleitungen sowie von Geräten wie Telefonanlagen, Faxgeräten und anderen verwendet. Der zweistufige Schutzmodus leitet in der ersten Stufe den Strom ab und begrenzt in der zweiten Stufe die Spannung. Blitz- und Überspannungsströme, die auf die Übertragungsleitung wirken, werden durch den Ableiter zur Erde abgeleitet. Gleichzeitig werden Blitz- und Überspannungsüberschreitungen auf ein zulässiges Niveau begrenzt, wodurch die Gerätesicherheit gewährleistet wird.
Eigenschaften
Das Produkt zeichnet sich durch hohes Ableitvermögen, schnelle Reaktionszeit (ns) , ein niedriges Schutzlevel aus und Unterstützt Online-Hot-Swapping und verfügt über eine kompakte Bauweise. Es wird über Klemmanschlüsse verbunden und kann bequem auf einer Normschiene montiert werden.
Normen
GB/T 18802.21
Arbeitsumgebung
|
Temperaturbereich
|
-40 ℃~85 ℃
|
|
Bereich der relativen Luftfeuchtigkeit
|
≤ 90% (25℃)
|
|
Der Höhe
|
-Nicht mehr als 4000m
|
Technische Spezifikationen
| Modell |
ZGXM-MZ2J-24c |
| Auswirkungskategorie |
C2 and D1 |
| Arbeitsstromspannung |
24 V |
| Höchste Dauerspannung |
33 VDC |
| Nennstrom |
1 A |
| Nennableitstrom 8/20 μs |
10 kA |
| Gesamtableitstrom 8/20μs |
20 kA |
| Blitzstoßstrom 10/350μs |
1 kA |
| Schutzniveau der Spannung(8/20μs) |
L-L |
55 V |
| L-PE |
600 V |
| Schutzniveau der Spannung (1kV/μs) |
L-L |
45 V |
| L-PE |
300 V |
| Serienwiderstand pro Leiter |
1.0 ohms |
| Grenzfrequenz |
7.8M Hz |
| Kapazität |
≤ 1.0 nF |
| Geschützter Fuß |
Zwei Paare Leiter(1,2; 3,4) |
| Gehäusematerial |
PA66 |
| Schnittstellentyp |
Klemmen |
| Drehmoment: Klemmen |
0.5 Nm |
|
Pressbereich
|
0.2 mm2~4 mm2
|
| Farbe |
RAL 7035 |
| Gehäuseschutzklasse |
IP20 |
| Feuerhemmungsgrad |
UL94 V-0 |
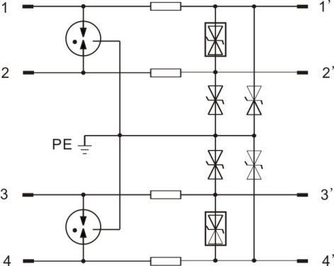
Schaltschema
Externe Struktur
Außenmaße: 93mm×69mm×12mm (Länge×Breite×Höhe)