
|
Temperaturbereich
|
-40℃~80℃
|
|
Bereich der relativen Luftfeuchtigkeit
|
5%~95%
|
|
Der Höhe
|
-500 m~﹢4000 m
|
|
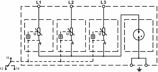
Modell
|
ZGG30-1260(3+1)Zf
|
|
Überspannungsableiter nach IEC 61643-11
|
Class Ⅱ
|
|
Überspannungsableiter nach EN 61643-11
|
Type 2
|
|
Höchste Dauerspannung Uc
|
1260 V AC
|
|
Betriebsfrequenz
|
50/60 Hz
|
|
Nennableitstrom In (8/20 μs)
|
15 kA
|
|
Maximaler Entladestrom Imax (8/20 μs)
|
30 kA
|
|
Gesamtableitstrom ITotal (8/20 μs)
|
100 kA
|
|
Stoßdurchbruchspannung(1kV/ us)
|
≥ 2.2 kV
|
|
Schutzniveau der Spannung Up
|
5 kV
|
|
Maximaler Backup-Sicherung
|
63 A gL/gG
|
|
Zugangsmethode
|
Parallelschaltung
|
|
Schutzmodus
|
L-PE
|
|
Reaktionszeit tA
|
≤ 100 ns
|
|
Querschnitt der Kupferleiter für die Anschlussklemmen
|
Mehraderleitung: 1.5 mm2~25 mm2
Einaderleitung: 1.5 mm2~35 mm2 |
|
Maximaler Anschlussquerschnitt der Fernalarmanbindung
|
1.5 mm2
|
|
Fernmeldekontaktbelastung
|
AC: 250 V/0.5 A 125 V/1 A DC: 30 V/0.1 A
|
|
Drehmoment: Klemmen/Fernmeldeschnittstellen
|
2.5 N•m /0.25 N•m
|
|
Gehäuseschutzklasse (Code)
|
IP 20
|
|
Abmessungen
|
144 mm×90 mm×65.5 mm (Ohne Fernmeldeterminals)
|
|
Montageart
|
35 mm Standardprofil
|
|
Feuerhemmungsgrad
|
UL94 V-0
|

