


|
Temperaturbereich
|
-40℃~80℃
|
|
Bereich der relativen Luftfeuchtigkeit
|
5%~95%
|
|
Der Höhe
|
-500 m~﹢4000 m
|
|
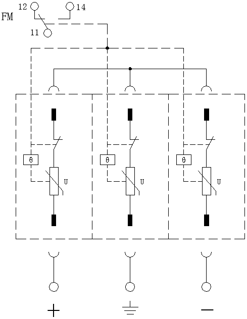
Modell
|
ZGG40-1000(2+1)PV
|
|
Überspannungsableiter nach EN 50539-11: 2013
|
Type 2
|
|
Modus des Überlastverhaltens
|
Offener Schaltkreis
|
|
Höchste Dauerspannung Uc
|
1200 V DC
|
|
Nenn-Kurzschlussstrom ISCPV
|
1 kA
|
|
Nennableitstrom In (8/20 μs)
|
20 kA
|
|
Maximaler Entladestrom Imax (8/20 μs)
|
40 kA
|
|
Schutzniveau der Spannung Up
|
4.0 kV
|
|
Reststrom IPE
|
DC: ≤ 20 μA; AC: ≤ 500 μA
|
|
Zugangsmethode
|
Parallelschaltung
|
|
Schutzmodus
|
+ — -, +/- —PE
|
|
Reaktionszeit tA
|
≤ 25 ns
|
|
Querschnitt der Kupferleiter für die Anschlussklemmen
|
Mehraderleitung: 1.5 mm2~25 mm2
Einaderleitung: 1.5 mm2~35 mm2 |
|
Maximaler Anschlussquerschnitt der Fernalarmanbindung
|
1.5 mm2
|
|
Fernmeldekontaktbelastung
|
AC: 250 V/0.5 A 125 V/1 A DC: 30 V/0.1 A
|
|
Drehmoment: Klemmen/Fernmeldeschnittstellen
|
2.5 N•m /0.25 N•m
|
|
Gehäuseschutzklasse (Code)
|
IP 20
|
|
Anwendungssystem
|
Photovoltaiksystem
|
|
Abmessungen
|
90 mm×54 mm×67 mm (Ohne Fernmeldeterminals)
|
|
Montageart
|
35 mm Standardprofil
|
|
Feuerhemmungsgrad
|
UL94 V-0
|

