

|
Temperaturbereich
|
-40℃~85℃
|
|
Bereich der relativen Luftfeuchtigkeit
|
5%~95%
|
|
Der Höhe
|
-500 m~﹢5000 m
|
|
Modell
|
ZGGS40-890PV
|
|
Überspannungsableiter nach IEC 61643-11: 2011
|
Class II
|
|
Überspannungsableiter nach EN 61643-11: 2012
|
Typ 2
|
|
Anzahl der Schnittstellen/Ports
|
Ein-Port-Gerät
|
|
Höchste Dauerspannung Uc
|
680V AC
|
|
Betriebsfrequenz
|
50/60 Hz
|
|
Nennableitstrom In (8/20 μs)
|
20 kA
|
|
Maximaler Entladestrom Imax (8/20 μs)
|
40 kA
|
|
Maximaler Backup-Sicherung
|
80 A gL/gG
|
|
Schutzniveau der Spannung Up
|
3.0 kV
|
|
Zugangsmethode
|
PCB-Platine-On-Board-Parallelschaltung
|
|
Installationsmethode
|
Montage
|
|
Reaktionszeit tA
|
≤ 25 ns
|
|
Fernmeldealarmierungsmethode
|
Normal: Schließer; Fehler: Öffner
|
|
Lokale Statusanzeige
|
Normal: Grün; Fehler: Rot
|
|
Fernmeldekontaktbelastung
|
Max 30 V DC, 0.1 A; Min 5 V DC, 0.5 mA; 125 V AC, 1 A
|
|
Anwendungsgebiet
|
Innenraum
|
|
Anwendungssystem
|
TN, TT, IT: L-N
|
|
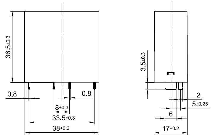
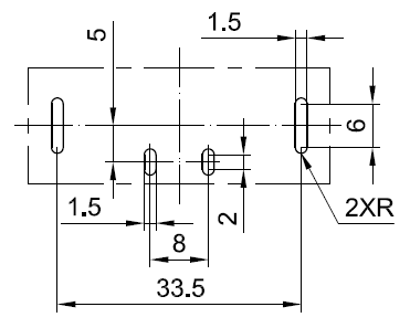
Abmessungen
|
38 mm×36.5 mm×17mm
|
|
Gehäusematerial
|
UL94V-0
|
|
Überspannungsableiter nach IEC 61643-31: 2018
|
ClassⅡ
|
|
Überspannungsableiter nach EN 61643-11: 2012
|
Typ 2
|
|
Höchste Dauerspannung Ucpv
|
890 V DC
|
|
Nenn-Kurzschlussstrom Iscpv
|
1000 A
|
|
Nennableitstrom In (8/20 μs)
|
20 kA
|
|
Maximaler Entladestrom Imax (8/20 μs)
|
40 kA
|
|
Schutzniveau der Spannung Up
|
3.0 kV
|
|
Reaktionszeit tA
|
≤ 25ns
|
|
Schutzmodus
|
+ — -, +/- —PE
|
|
Anwendungssystem
|
Photovoltaiksystem
|

