
|
Temperature range
|
–40°C to 80°C
|
|
Relative humidity range
|
≤ 95% (25°C)
|
|
Altitude range
|
–500 m to 4000 m
|
|
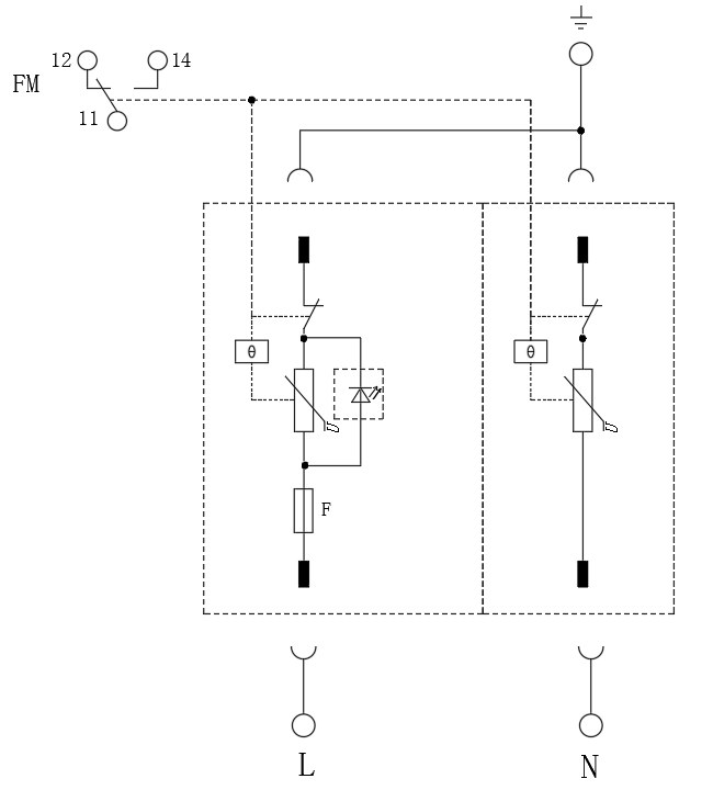
Model
|
ZGGB40-385(4+0)
|
|
SPD According to IEC 61643-1 /11
|
Class Ⅱ
|
|
SPD According to EN 61643-11
|
Type 2
|
|
Maximum continuous operating voltage Uc
|
385 V AC
|
|
Working frequency
|
50/60 Hz
|
|
Nominal discharge current In (8/20 μs)
|
20 kA
|
|
Maximum discharge current Imax (8/20 μs)
|
40 kA
|
|
voltage protection level Up
|
2.0 kV
|
|
Connection mode
|
In parallel
|
|
Protection mode
|
L/N-PE
|
|
Response time tA
|
≤ 25 ns
|
|
Cross-sectional area of the copper wire connected by the terminal
|
Multi-core wire: 1.5 mm2 ~ 25 mm2
Single-core wire: 1.5 mm2 ~ 35 mm2 |
|
Cross-sectional area of the copper wire connected by the remote signalling interface
|
0.5 mm2~1.5 mm2
|
|
Switching capacity of remote signalling alarm contacts
|
AC: 125 V/0.5 A DC: 30 V/0.1 A
|
|
Torque: Terminal / Remote signaling interface
|
2.5/0.25 Nm
|
|
Degree of protection of enclosure (IP rating)
|
IP 20
|
|
Application system
|
TN-S
|
|
Installation mode
|
35-mm guide rail
|
|
Flammability
|
UL94 V-0
|

