
|
Temperature range
|
-40 ℃~﹢80 ℃
|
|
Relative humidity range
|
5 %~95 %
|
|
Altitude range
|
-500 m~﹢4000 m
|
|
Model
|
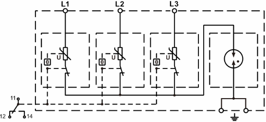
ZGG30-1260(3+1)Zf
|
|
SPD According to IEC 61643-11
|
Class Ⅱ
|
|
SPD According to EN 61643-11
|
Type 2
|
|
Max. continuous operating voltage UC
|
1260 V AC
|
|
Operating frequency
|
50/60 Hz
|
|
Nominal discharge current In (8/20 μs)
|
15 kA
|
|
Max. discharge current Imax (8/20 μs)
|
30 kA
|
|
Total discharge current ITotal(8/20 μs)
|
100 kA
|
|
Impulse breakdown voltage (1kV/ us)
|
≥ 2.2 kV
|
|
Voltage protection level Up
|
5 kV
|
|
Max. backup fuse
|
63 A gL/gG
|
|
Connection mode
|
Parallel
|
|
Protection mode
|
L-PE
|
|
Response time tA
|
≤ 100 ns
|
|
Cross-sectional Area
|
Stranded: 1.5 mm2 ~ 25 mm2
Solid: 1.5 mm2 ~ 35 mm2 |
|
Max. Cross-sectional Area For Remote signalling terminals
|
1.5 mm2
|
|
Switching capacity of remote signalling alarm contacts
|
AC: 250 V/0.5 A 125 V/1 A DC: 30 V/0.1 A
|
|
Torque: Connecting Terminal/Remote Signalling Interface
|
2.5 N•m /0.25 N•m
|
|
Degree of Protection (IP Code)
|
IP 20
|
|
Installation system
|
144 mm×90 mm×65.5 mm (excluding remote signalling terminals)
|
|
Dimensions
|
DIN 35 mm rail
|
|
Mounting on
|
UL94 V-0
|

