四川中光防雷科技股份有限公司
Productos
 
 
Descripción general
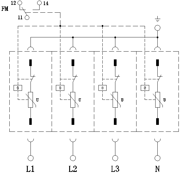
Compuesto por un módulo de potencia tipo varistor y una base,cuales son utilizados respectivamente para la protección de Tipo 2 de L-N y N-PE.

Característica
1. Los módulos enchufables tienen protección contra inversión de conexión.
2. Alta capacidad de descarga, baja tensión residual.
3. Protección contra sobrecalentamiento.
4. Indicación de fallo y contacto seco para alarma remota centralizada.
5. Grado de protección de la carcasa IP20, clasificación de inflamabilidad UL 94 V-0.

Estándares Aplicables
IEC 61643-11: 2011; EN 61643-11: 2012

Ambiente de Operación
Rango de Temperatura -40℃~80℃
Rango de Humedad Relativa 5%~95%
Rango de Altitud - 500m~﹢4000m
Especificaciones Técnicas
Modelo ZGG40-275(4+0)hs ZGG40-320(4+0)hs ZGG40-385(4+0)hs ZGG40-440(4+0)hs
Protector contra sobretensiones según IEC 61643-1 Class Ⅱ
Protector contra sobretensiones según EN 61643-11 Type 2
Tensión Máxima de Servicio Continuo Uc  275 V AC 320 V AC 385 V AC 440 V AC
Frecuencia de Operación 50/60 Hz
Corriente Nominal de Descarga I(8/20 μs) 20 kA
Corriente Máxima de Descarga Imax (8/20 μs) 40 kA
Nivel de Protección de Tensión Up  1.4 kV 1.6 kV 1.8 kV 2.2 kV
Fusible de Respaldo Máximo 80 A gL/gG
Modo de Conexión En paralelo
Modo de Protección L-PE, N-PE
Tiempo de Respuesta tA ≤25 ns
Sección Transversal del Conductor de Cobre para Terminales de Conexión Cable multinúcleo: 1.5 mm2~25 mm2, Cable unifilar: 1.5 mm2~35 mm2
Sección Máxima de Cableado para Interfaz de Señalización Remota 1.5 mm2
Capacidad de los Contactos de Alarma por Señalización Remota AC: 250 V/0.5 A   125 V/1 A    DC: 30 V/0.1 A
Par de Apriete: Terminales / Interfaz de Señalización Remota 2.5 N•m /0.25 N•m
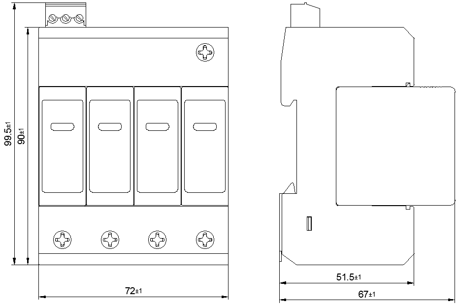
Grado de Protección de la Carcasa (Código IP) IP 20
Sistema de Aplicación TN-S
Forma de Montaje 35 mm Carril estándar (DIN)
Clasificación de Inflamabilidad UL94 V-0

Diagrama Esquemático del Circuito

 
Estructura Externa