四川中光防雷科技股份有限公司
Productos
 
Descripción general
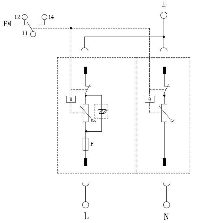
ZGGB40-385(2+0)
 Compuesto por un módulo de potencia tipo varistor y una base,cuales son utilizados respectivamente para la protección de Tipo 2 de L-N y N-PE. Este protector contra sobretensiones modular de potencia tiene un fusible incorporado, eliminando la necesidad de un fusible de respaldo externo y ahorrando espacio de instalación.

Característica
1. Los módulos enchufables tienen funciones anti-inserción incorrecta y anti-intercambio.
2. Eliminando la necesidad de configurar un fusible de respaldo externo.
3. Alta capacidad de descarga, baja tensión residual.
4. Protección contra sobrecalentamiento.
5. Indicación de fallo y contacto seco para alarma remota centralizada.
6. Grado de protección de la carcasa IP20, clasificación de inflamabilidad UL 94 V-0.

Estándares Aplicables
IEC 61643-11: 2011

Ambiente de Operación
Rango de Temperatura -40℃~80℃
Rango de Humedad Relativa No superior a (≤) 95% (25℃)
Rango de Altitud -500m~﹢4000m
Especificaciones Técnicas
Modelo ZGGB40-385(2+0)
Protector contra sobretensiones según IEC 61643-1/11 Class Ⅱ
Protector contra sobretensiones según EN 61643-11 Type 2
Tensión Máxima de Servicio Continuo Uc  385 V AC
Frecuencia de Operación 50/60 Hz
Corriente Nominal de Descarga In(8/20μs) 20 kA
Corriente Máxima de Descarga Imax(8/20μs) 40 kA
Nivel de Protección de Tensión Up  2.0 kV
Modo de Conexión En paralelo
Modo de Protección L/N-PE
Tiempo de Respuesta tA ≤25 ns
Sección Transversal del Conductor de Cobre para Terminales de Conexión Cable multinúcleo:1.5 mm2~25 mm2
Cable unifilar: 1.5 mm2~35 mm2
El área de la sección transversal de la interfaz de comunicación remota que conecta el cable de cobre 0.5~1.5 mm2
Capacidad de los Contactos de Alarma por Señalización Remota AC: 125 V/0.5 A    DC: 30 V/0.1 A
Par de Apriete: Terminales / Interfaz de Señalización Remota 2.5 N•m /0.25 N•m
Grado de Protección de la Carcasa (Código IP) IP 20
Sistema de Aplicación TN-S
Dimensiones Externas 90 mm×36 mm×76 mm (No incluye terminales de señalización remota)
Forma de Montaje 35 mm Carril estándar (DIN)
Clasificación de Inflamabilidad UL94 V-0
 
Diagrama Esquemático del Circuito

 
Estructura Externa