
|
Plage de température
|
-40 ℃~80 ℃
|
|
Plage d’humidité relative
|
5 %~95 %
|
|
Altitude
|
-500 m~﹢4000 m
|
|
Modèle
|
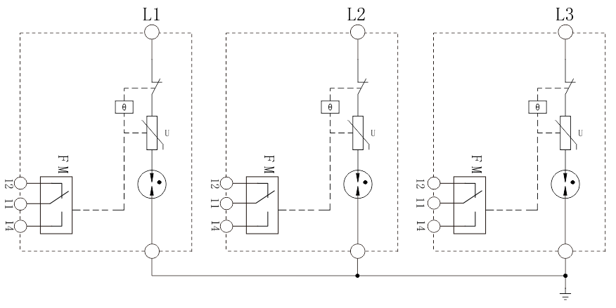
ZGGH12.5-760(3+0)T
|
|
SPD conformément à la norme IEC 61643-1
|
ClassⅠ
|
|
SPD conformément à la norme EN 61643-11
|
Type 1
|
|
Tension de fonctionnement continue maximale Uc
|
760 V AC
|
|
Fréquence de fonctionnement
|
50/60 Hz
|
|
Courant de décharge d'impulsion Iimp (10/350 μs)
|
12.5 kA
|
|
Énergie spécifique W/R
|
39 kJ/Ω
|
|
Niveau de protection contre la tension Up
|
3.5 kV
|
|
Fusible de secours maximal
|
160 A gL/gG
|
|
Mode de connexion
|
En parallèle
|
|
Mode de protection
|
L-PE (N)
|
|
Temps de réponse tA
|
≤ 100 ns
|
|
Section du fil conducteur en cuivre connecté à la borne
|
Câble multi-conducteur : 1.5 mm2~25 mm2
Câble monoconducteur : 1.5 mm2~35 mm2 |
|
Surface maximale de connexion de l'interface de télésignalisation
|
1.5 mm2
|
|
Intensité du contact d'alarme de télésignalisation
|
AC: 250 V/0.5 A 125 V/1 A DC: 30 V/0.1 A
|
|
Moment de torsion : borne de raccordement/interface de télésignalisation
|
2.5 N•m /0.25 N•m
|
|
Indice de protection de l'enveloppe (code)
|
IP 20
|
|
Système d’application
|
TN-C, TT, IT
|
|
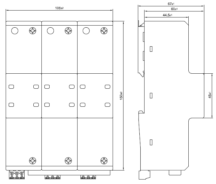
Dimensions extérieures
|
150 mm×108 mm×67 mm (Sauf la borne de télésignalisation)
|
|
Type d’installation
|
35 mm Rail standardisé
|
|
Niveau ignifuge
|
UL94 V-0
|

