


|
Plage de température
|
-40 ℃~80 ℃
|
|
Plage d’humidité relative
|
5 %~95 %
|
|
Altitude
|
-500 m~﹢4000 m
|
|
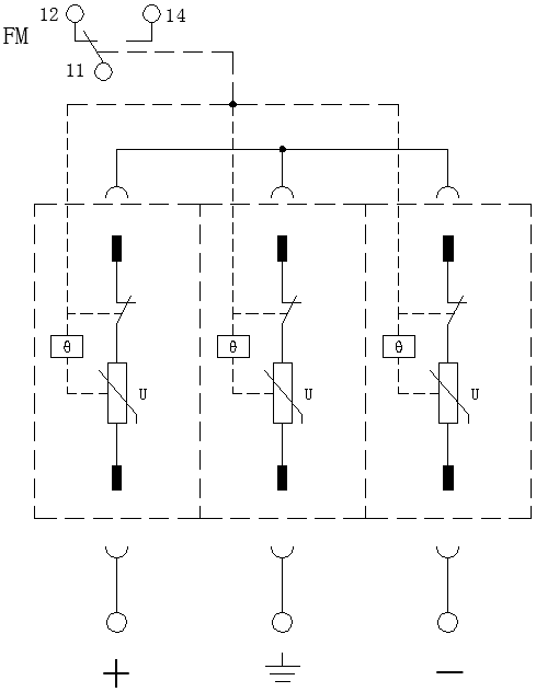
Modèle
|
ZGG40-500(2+1)PV
|
|
SPD conformément à la norme EN 50539-11: 2013
|
Type 2
|
|
Mode des caractéristiques de surcharge
|
Mode de circuit ouvert
|
|
Tension de fonctionnement continue maximale Uc
|
600 V DC
|
|
Courant nominal de court-circuit ISCPV
|
1 kA
|
|
Courant de décharge nominal In (8/20 μs)
|
20 kA
|
|
Courant de décharge maximal Imax (8/20 μs)
|
40 kA
|
|
Niveau de protection contre la tension Up
|
2.5 kV
|
|
Courant résiduel IPE
|
DC: ≤ 20 μA; AC: ≤ 500 μA
|
|
Mode de connexion
|
En parallèle
|
|
Mode de protection
|
+ — -, +/- —PE
|
|
Temps de réponse tA
|
≤ 25 ns
|
|
Section du fil conducteur en cuivre connecté à la borne
|
Câble multi-conducteur : 1.5 mm2~25 mm2
Câble monoconducteur : 1.5 mm2~35 mm2 |
|
Surface maximale de connexion de l'interface de télésignalisation
|
1.5 mm2
|
|
Intensité du contact d'alarme de télésignalisation
|
AC: 250 V/0.5 A 125 V/1 A DC: 30 V/0.1 A
|
|
Moment de torsion : borne de raccordement/interface de télésignalisation
|
2.5 N•m /0.25 N•m
|
|
Indice de protection de l'enveloppe (code)
|
IP 20
|
|
Système d’application
|
Système photovoltaïque
|
|
Dimensions extérieures
|
90 mm×54 mm×67 mm (Sauf la borne de télésignalisation)
|
|
Type d’installation
|
35 mm Rail standardisé
|
|
Niveau ignifuge
|
UL94 V-0
|

