

|
Plage de température
|
-40 ℃~85 ℃
|
|
Plage d’humidité relative
|
5 %~95 %
|
|
Altitude
|
-500 m~﹢3000 m
|
|
Modèle
|
ZGGS20-60f
|
|
|
SPD conformément à la norme IEC 61643-11: 2011
|
Class II
|
|
|
SPD conformément à la norme EN 61643-11: 2012
|
Type 2
|
|
|
SPD conformément à la norme UL 1449
|
Type 4
|
|
|
Nombre de ports
|
1
|
|
|
Tension de fonctionnement continue maximale Uc
|
80 V DC
|
60 V AC
|
|
Courant de décharge nominal In (8/20 μs)
|
10 kA
|
|
|
Courant de décharge maximal Imax (8/20 μs)
|
20 kA
|
|
|
Niveau de protection contre la tension Up
|
≤ 400 V
|
|
|
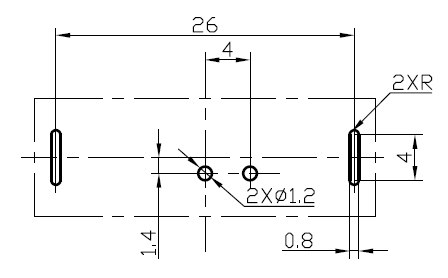
Mode de connexion
|
Gamme à monter sur carte PCB et mise en parallèle
|
|
|
Mode de protection
|
+ — -, +/- —PE
|
|
|
Temps de réponse tA
|
≤ 25 ns
|
|
|
Intensité du contact d'alarme de télésignalisation
|
30 V DC, 0.1 A; 125 V AC, 1 A
|
|
|
Indice de protection de l'enveloppe (code)
|
IP 20 (Après montage)
|
|
|
Scénarios d’application
|
À l’intérieur
|
|
|
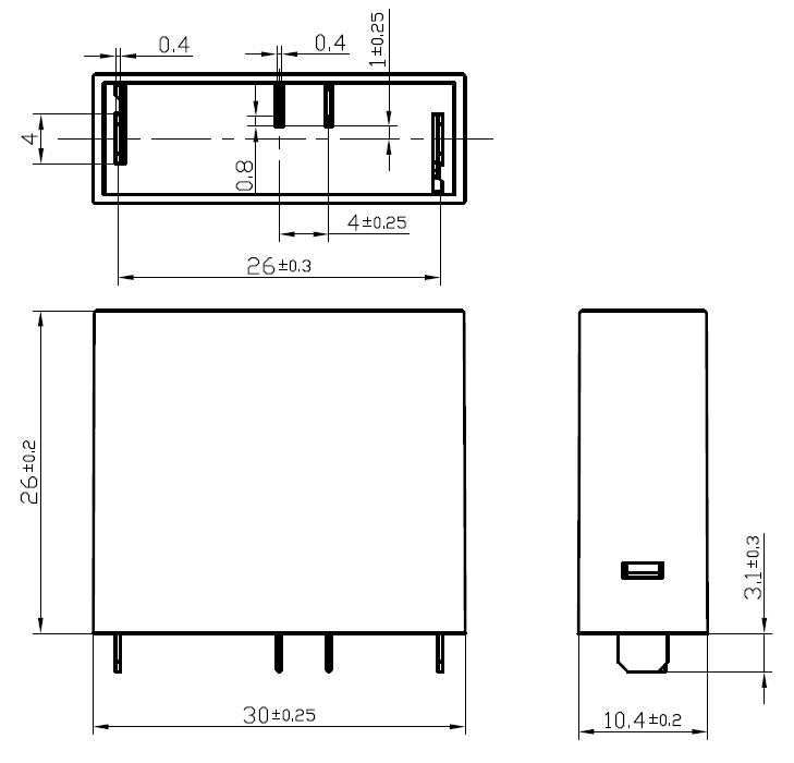
Dimensions extérieures
|
30 mm×10.4 mm×26 mm
|
|
|
Niveau ignifuge
|
UL94 V-0
|
|

