


| 温度範囲 | -40℃~80℃ |
| 相対湿度範囲 | 5%~95% |
| 標高範囲 | -500m~﹢4000m |
| 型式 | ZGG40-75(1+1)hs | ZGG40-275(1+1)hs | ZGG40-320(1+1)hs | |
| サージ防護デバイス(SPD)は国家標準 IEC 61643-11に基づく |
Class Ⅰ and Class Ⅱ | Class Ⅱ |
||
| サージ防護デバイス(SPD)は国家標準 EN 61643-11に基づく |
Type 1 and Type 2 | Type 2 | ||
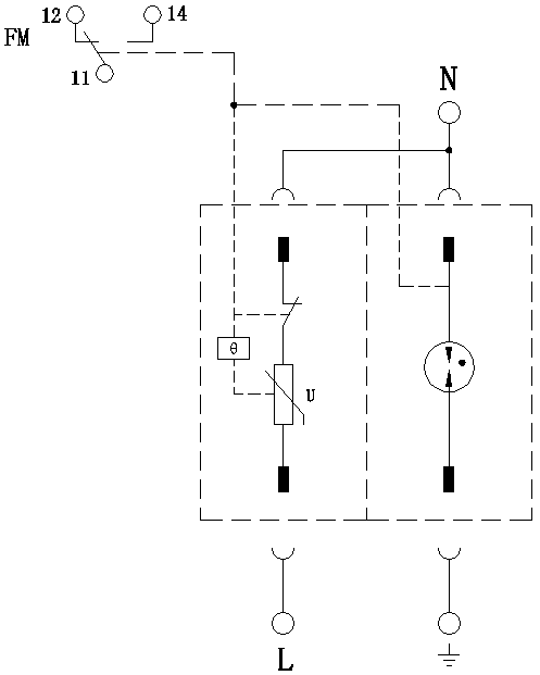
| 最大連続使用作動電圧 Uc | L-N: 75 V AC, 100 V DC N-PE: 150 V AC |
L-N: 275 V AC N-PE: 260 V AC |
L-N: 320 V AC N-PE: 260 V AC |
|
| 動作周波数 | / | 50/60 Hz | ||
| 公称放電電流 In (8/20 μs) | L-N: 15 kA, N-PE: 20 kA | 20 kA | ||
| 最大放電電流 Imax (8/20 μs) | 40 kA | |||
| インパルス衝撃放電電流 Iimp (10/350 μs) | L-N: 4 kA | / | ||
| 電圧保護レベル Up | L-N: 0.65 kV, N-PE: 1 kV | L-N: 1.4 kV, N-PE: 1.5 kV | L-N: 1.6 kV, N-PE: 1.5 kV | |
| 定格続流遮断導通電流 Ifi | N-PE: 100 Arms | |||
| 最大バックアップヒューズ | 63 A gL/gG | 80 A gL/gG | ||
| 配線方法 | 並列 | |||
| 防護モード | L(+)-N(-), N(-)-PE | L-N, L-PN | ||
| 応答時間 tA | L-N: ≤25 ns;N-PE: ≤100 ns | |||
| 配線端子に接続される銅線の断面積 | 多芯線: 1.5 mm2~25 mm2, 単芯線: 1.5 mm2~35 mm2 | |||
| 遠隔信号インターフェースの最大配線面積 | 1.5 mm2 | |||
| 遠隔信号警告接点強度 | AC: 250 V/0.5 A 125 V/1 A DC: 30 V/0.1 A | |||
| トルクトルク: 配線端子/遠隔信号インターフェース | 2.5 N•m /0.25 N•m | |||
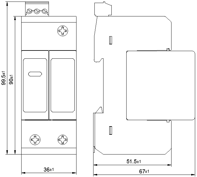
| ハウジング保護レベル(コード) | IP 20 | |||
| アプリケーションシステム | TN, TT | TT, TN | TT, TN | |
| 設置形式 | 35 mm 標准的なガイドレール | |||
| 難燃グレード | UL94 V-0 | |||
| 型式 | ZGG40-385(1+1)hs | ZGG40-440(1+1)hs | |
| サージ防護デバイス(SPD)は国家標準 IEC 61643-11に基づく |
Class Ⅱ | ||
| サージ防護デバイス(SPD)は国家標準 EN 61643-11に基づく |
Type 2 | ||
| 最大連続使用作動電圧 Uc | L-N: 385 V AC, N-PE: 260 V AC | L-N: 440 V AC, N-PE: 260 V AC | |
| 動作周波数 | 50/60 Hz | ||
| 公称放電電流 In (8/20 μs) | 20 kA | ||
| 最大放電電流 Imax (8/20 μs) | 40 kA | ||
| 電圧保護レベル Up | L-N: 1.8 kV, N-PE: 1.5 kV | L-N: 2.2 kV, N-PE: 1.5 kV | |
| 定格続流遮断導通電流 Ifi | N-PE: 100 Arms | ||
| 最大バックアップヒューズ | 80 A gL/gG | ||
| 配線方法 | 並列 | ||
| 防護モード | L-N, N-PE | ||
| 応答時間 tA | L-N: ≤25 ns; N-PE: ≤100 ns | ||
| 配線端子に接続される銅線の断面積 | 多芯線: 1.5 mm2~25 mm2, 単芯線: 1.5 mm2~35 mm2 | ||
| 遠隔信号インターフェースの最大配線面積 | 1.5 mm2 | ||
| 遠隔信号警告接点強度 | AC: 250 V/0.5 A 125 V/1 A DC: 30 V/0.1 A | ||
| トルクトルク: 配線端子/遠隔信号インターフェース | 2.5 N•m /0.25 N•m | ||
| ハウジング保護レベル(コード) | IP 20 | ||
| アプリケーションシステム | TT, TN | TT, TN, IT | |
| 設置形式 | 35 mm 標准的なガイドレール | ||
| 難燃グレード | UL94 V-0 | ||
