概述
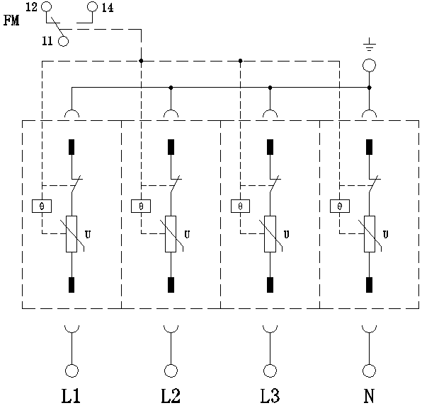
バリスタ式電源モジュール ベースで構成され,それぞれL-NとN-PEの保護レベル2の保護デバイスとして使用されます。
特徴
1. プラグインモジュールは逆プラグ防止機能。
2. 高放電容量、低残留電圧を達成します。
3. 過熱保護機能があります。
4. 故障表示と集中遠隔信号警報ドライ接点があります。
5. ハウジングの保護レベルはIP 20、難燃グレードはUL 94 V-0です。
執行標準
IEC 61643-11: 2011; EN 61643-11: 2012
使用環境
| 温度範囲 |
-40℃~80℃ |
| 相対湿度範囲 |
5%~95% |
| 標高範囲 |
- 500m~﹢4000m |
技術指標
| 型式 |
ZGG40-275(4+0)hs |
ZGG40-320(4+0)hs |
ZGG40-385(4+0)hs |
ZGG40-440(4+0)hs |
| サージ防護デバイス(SPD)は国家標準IEC 61643-11に基づく |
Class Ⅱ |
| サージ防護デバイス(SPD)は国家標準EN 61643-11に基づく |
Type 2 |
| 最大連続使用作動電圧 Uc |
275 V AC |
320 V AC |
385 V AC |
440 V AC |
| 工作频率 動作周波数 |
50/60 Hz |
| 公称放電電流 In (8/20 μs) |
20 kA |
| 最大放電電流 Imax (8/20 μs) |
40 kA |
| 電圧保護レベル Up |
1.4 kV |
1.6 kV |
1.8 kV |
2.2 kV |
| 最大バックアップヒューズ |
80 A gL/gG |
| 配線方法 |
並列 |
| 防護モード |
L-PE, N-PE |
| 応答時間 tA |
≤25 ns |
| 配線端子に接続される銅線の断面積 |
多芯線: 1.5 mm2~25 mm2, 単芯線: 1.5 mm2~35 mm2 |
| 遠隔信号インターフェースの最大配線面積 |
1.5 mm2 |
| 遠隔信号警告接点強度 |
AC: 250 V/0.5 A 125 V/1 A DC: 30 V/0.1 A |
| トルクトルク: 配線端子/遠隔信号インターフェース |
2.5 N•m /0.25 N•m |
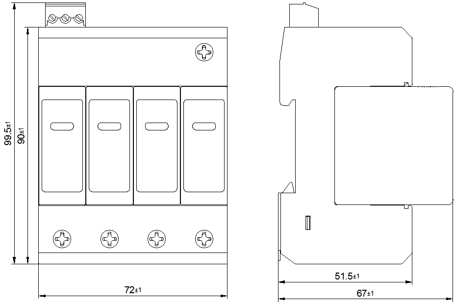
| ハウジング保護レベル(コード) |
IP 20 |
| アプリケーションシステム |
TN-S |
| 設置形式 |
35 mm 標准的なガイドレール |
| 難燃グレード |
UL94 V-0 |
回路原理模式図