


| 温度範囲 | -40 ℃~80 ℃ |
| 相対湿度範囲 | 5%~95% |
| 標高範囲 | -500 m~﹢4000 m |
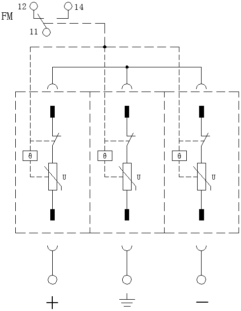
| 型式 | ZGG40-500(2+1)PV |
| サージ防護デバイス (SPD) は国家標準EN 50539-11: 2013 に基づく | Type 2 |
| 過負荷特性モード | 開回路モード |
| 最大連続使用作動電圧 Uc | 600 V DC |
| 定格短絡電流 ISCPV | 1 kA |
| 公称放電電流 In (8/20 μs) | 20 kA |
| 最大放電電流 Imax (8/20 μs) | 40 kA |
| 電圧保護レベル Up | 2.5 kV |
| 残留電流 IPE |
DC: ≤ 20 μA; AC: ≤ 500 μA
|
| 配線方法 | 並列 |
| 防護モード | + — -、+/- — PE |
| 応答時間 tA | ≤25 ns |
| 配線端子に接続される銅線の断面積 | 多芯線: 1.5 mm2~25 mm2 単芯線: 1.5 mm2~35 mm2 |
| 遠隔信号インターフェースの最大配線面積 | 1.5 mm2 |
| 遠隔信号警告接点強度 | AC: 250 V/0.5 A 125 V/1 A DC: 30 V/0.1 A |
| トルクトルク: 配線端子/遠隔信号インターフェース | 2.5 N•m /0.25 N•m |
| ハウジング保護レベル (コード) | IP 20 |
| アプリケーションシステム | 太陽光発電システム |
| 外形寸法 | 90 mm×54 mm×67 mm (遠隔信号端子含まれない) |
| 設置形式 | 35 mm 標准的なガイドレール |
| 難燃グレード | UL94 V-0 |
