概述
ZGGS40-890PV 金属酸化物バリスタ(MOV)、難燃性ハウジングと金属部品で構成された電源モジュールサージ防護デバイスは。プリント基板(PCB)オンボード方式を採用し、難燃性、過電流・過加熱保護などの機能を持っています。主に低電圧給電・配電システムと電力装置の保護レベル2・3のサージ防護デバイスとして使用されます。
特徴
小型サイズ、高い放電容量、速い応答速度、続流電流なし。
執行標準
IEC 61643-11: 2011; EN 61643-11: 2012; IEC 61643-31: 2018; EN 61643-31: 2019
使用環境
| 温度範囲 |
-40 ℃~85 ℃ |
| 相対湿度範囲 |
5%~95% |
| 標高範囲 |
-500 m~﹢5000 m |
技術指標
| 型式 |
ZGGS40-890PV |
| サージ防護デバイス (SPD) は国家標準 IEC 61643-11:2011 に基づく |
Class II |
| サージ防護デバイス (SPD) は国家標準 EN 61643-11: 2012 に基づく |
Type 2 |
| ポート数 |
1 |
| 最大連続使用作動電圧 Uc |
680 V AC |
| 動作周波数 |
50/60 Hz |
| 公称放電電流 In (8/20 μs) |
20 kA |
| 最大放電電流 Imax (8/20 μs) |
40 kA |
| 最大バックアップヒューズ |
80 A gL/gG |
| 電圧保護レベル Up |
3.0 kV |
| 配線方法 |
PCB搭載並列 |
| 設置方法 |
オンボード |
| 応答時間 tA |
≤ 25 ns |
| 遠隔信号警報方式 |
オン:閉回路、オフ:開回路 |
| ローカル状態表示 |
オン:綠、オフ:赤 |
| 遠隔信号警報ポートの接点強度 |
Max 30 V DC, 0.1 A; Min 5 V DC, 0.5 mA; 125 V AC, 1 A |
| 応用シーン |
屋内 |
| アプリケーションシステム |
TN; TT, IT: L-N |
| 外形寸法 |
38 mm×36.5 mm×17 mm |
| ハウジング材料 |
UL94 V-0 |
| サージ防護デバイス (SPD) は国家標準 IEC 61643-31: 2011 に基づく |
ClassⅡ |
| サージ防護デバイス (SPD) は国家標準 EN 61643-31: 2011 に基づく |
Type 2 |
| 最大連続使用作動電圧 Ucpv |
890 V DC |
| 定格短絡電流 Iscpv |
1000 A |
| 公称放電電流 In (8/20 μs) |
20 kA |
| 最大放電電流 Imax (8/20 μs) |
40 kA |
| 電圧保護レベル Up |
3.0 kV |
| 応答時間 tA |
≤ 25 ns |
| 防護モード |
+ — -, +/- — PE |
| アプリケーションシステム |
太陽光発電システム |
回路原理模式図
外観構造
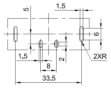
設計寸法図面

PCB穴加工用参照図面