


| 온도 범위 | -40℃~80℃ |
| 상대 습도 범위 | 5 %~95 % |
| 해표고도 | -500m~﹢4000m |
| 모델명 | ZGG40-275(3+1)hs | ZGG40-320(3+1)hs | ZGG40-385(3+1)hs | ZGG40-440(3+1)hs |
| IEC 61643-1에 따른 SPD (서지보호장치) |
Class Ⅱ | |||
| EN 61643-11에 따른 SPD (서지보호장치) |
Type 2 | |||
| 최대연속사용전압 Uc | L-N: 275 V AC N-PE: 260 V AC |
L-N: 320 V AC N-PE: 260 V AC |
L-N: 385 V AC N-PE: 260 V AC |
L-N: 440 V AC N-PE: 260 V AC |
| 작동 주파수 | 50/60 Hz | |||
| 정격 방전 전류 In(8/20μs) | 20 kA | |||
| 최대 방전 전류 Imax(8/20μs) | 40 kA | |||
| 전압보호레벨 Up | L-N: 1.4 kV N-PE: 1.5 kV |
L-N: 1.6 kV N-PE: 1.5 kV |
L-N: 1.8 kV N-PE: 1.5 kV |
L-N: 2.2 kV N-PE: 1.5 kV |
| 정격 차단 잔류 전류 값 Ifi | N-PE: 100 Arms | |||
| 최대 백업 퓨즈 | 80 A gL/gG | |||
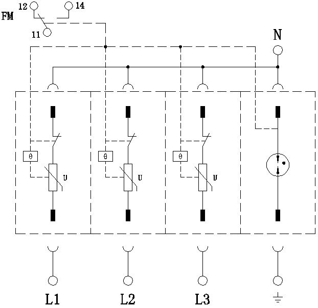
| 접속 방식 | 병렬 | |||
| 보호 모드 | L-N, N-PE | |||
| 응답 시간tA | L-N: ≤25 ns; N-PE: ≤100 ns | |||
| 단자에 연결되는 구리선의 단면적 | 다심선: 1.5 mm2~25 mm2, 단심선: 1.5 mm2~35 mm2 | |||
| 원격신호 인터페이스 최대 배선 면적 | 1.5 mm2 | |||
| 원격신호 경보 접점 강도 | AC: 250 V/0.5 A 125 V/1 A DC: 30 V/0.1 A | |||
| 토크: 단자 / 원격신호 인터페이스 | 2.5 N•m /0.25 N•m | |||
| 외함 보호등급 (코드) | IP 20 | |||
| 적용 시스템 | TT, TN | TT, TN | TT, TN | TT, TN, IT |
| 설치 형식 | 35 mm 표준 DIN 레일 | |||
| 난연 등급 | UL94 V-0 | |||

