개요
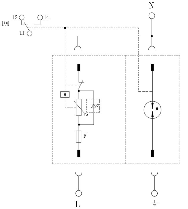
ZGGB40-385(1+1) 금속산화물바리스터(MOV)형 전원 모듈 베이스로 구성되며, 각각 L-N, N-PE 간의 Class 2 보호에 사용됩니다. 본 전원 모듈 서지보호장치는 내장형 퓨즈를 탑재하고 있어 별도의 외부 백업 퓨즈 없이 설치 가능하며, 공간을 절약할 수 있습니다.
특징
1. 플러그인 모듈은 역삽입 및 오삽 방지 기능을 갖춤.
2. 후속 퓨즈 구성 불필요.
3. 통전 용량이 크고 잔류 전압이 낮음.
4. 과열 보호 및 과전류 보호 기능 탑재.
5. 고장 표시 및 원격 통합 경보용 무전압 접점 지원.
6. 외함 방호 등급: IP20, 난연 등급: UL 94 V-0.
적용 기준
IEC 61643-11: 2011
사용 환경
| 온도 범위 |
-40℃~80℃ |
| 상대 습도 범위 |
보다 크지 않음 95% (25℃)
|
| 해표고도 |
-500m~﹢4000m |
기술 지표
| 모델명 |
ZGGB40-385(1+1) |
| IEC 61643-1/11에 따른 SPD (서지보호장치) |
Class Ⅱ |
| EN 61643-1/11에 따른 SPD (서지보호장치) |
Type 2 |
| 최대연속사용전압 Uc |
385 V AC |
255 V AC |
| 작동 주파수 |
50/60 Hz |
| 정격 방전 전류 In (8/20 μs) |
20 kA |
| 최대 방전 전류 Imax (8/20 μs) |
40 kA |
| 전압보호레벨 Up |
2.0 kV |
1.5 kV |
| 정격 차단 잔류 전류 값 Ifi |
/ |
100 Arms |
| 접속 방식 |
병렬 |
| 보호 모드 |
L-N |
N-PE |
| 응답 시간 tA |
≤ 25 ns |
| 단자에 연결되는 구리선의 단면적 |
다심선: 1.5 mm2~25 mm2; 단심선: 1.5 mm2~35 mm2 |
| 원격 신호 인터페이스 연결 구리 도선의 단면적 |
0.5~1.5 mm2 |
| 원격신호 경보 접점 강도 |
AC: 125 V/0.5 A DC: 30 V/0.1 A |
| 토크: 단자 / 원격신호 인터페이스 |
2.5 N•m /0.25 N•m |
| 외함 보호등급 (코드) |
IP 20 |
| 적용 시스템 |
TT, TN |
| 외형 치수 |
90 mm×36 mm×76 mm (원격신호 단자제외) |
| 설치 형식 |
35 mm 표준 DIN 레일 |
| 난연 등급 |
UL94 V-0 |
회로 원리 개요도
외형 구조