개요
ZGGH12.5-760(3+0)T 전원 모듈 서지보호장치 3개로 구성되며, 저압 AC 배전 시스템에 적용되어 교류 전원과 장비 사이에 병렬 설치됩니다. 낙뢰, 전자기 간섭 등 외부 환경 또는 스위칭 작용, 인덕턴스·커패시턴스 부하의 작동 등 시스템 내부 원인으로 발생하는 서지 및 순간 과전압으로부터 장비를 보호합니다.
특징
1. 통전 용량이 크고 잔류 전압이 낮음.
2. 과열 보호 기능 탑재.
3. 고장 표시 및 원격 통합 경보용 무전압 접점 지원.
4. 연속 전류 및 누설 전류 없음.
적용 기준
IEC 61643-11: 2011; EN 61643-11: 2012
사용 환경
| 온도 범위 |
-40℃~80℃ |
| 상대 습도 범위 |
5%~95% |
| 해표고도 |
-500m~﹢4000m |
기술 지표
| 모델명 |
ZGGH12.5-760(3+0)T |
| IEC 61643-1에 따른 SPD (서지보호장치) |
ClassⅠ |
| EN 61643-11에 따른 SPD (서지보호장치) |
Type 1 |
| 최대연속사용전압 Uc |
760 V AC |
| 작동 주파수 |
50/60 Hz |
| 임펄스전류 Iimp (10/350 μs) |
12.5 kA |
| 비에너지 W/R |
39 kJ/Ω |
| 전압보호레벨 Up |
3.5 kV |
| 최대 백업 퓨즈 |
160 A gL/gG |
| 접속 방식 |
병렬 |
| 보호 모드 |
L-PE (N) |
| 응답 시간 tA |
≤ 100 ns |
| 단자에 연결되는 구리선의 단면적 |
다심선: 1.5 mm2~25 mm2; 단심선: 1.5 mm2~35 mm2 |
| 원격신호 인터페이스 최대 배선 면적 |
1.5 mm2 |
| 원격신호 경보 접점 강도 |
AC: 250 V/0.5 A 125 V/1 A DC: 30 V/0.1 A |
| 토크: 단자 / 원격신호 인터페이스 |
2.5 N•m /0.25 N•m |
| 외함 보호등급 (코드) |
IP 20 |
| 적용 시스템 |
TN-C, TT, IT |
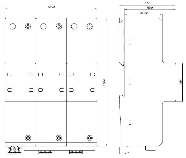
| 외형 치수 |
150 mm×108 mm×67 mm (원격신호 단자제외) |
| 설치 형식 |
35 mm 표준 DIN 레일 |
| 난연 등급 |
UL94 V-0 |
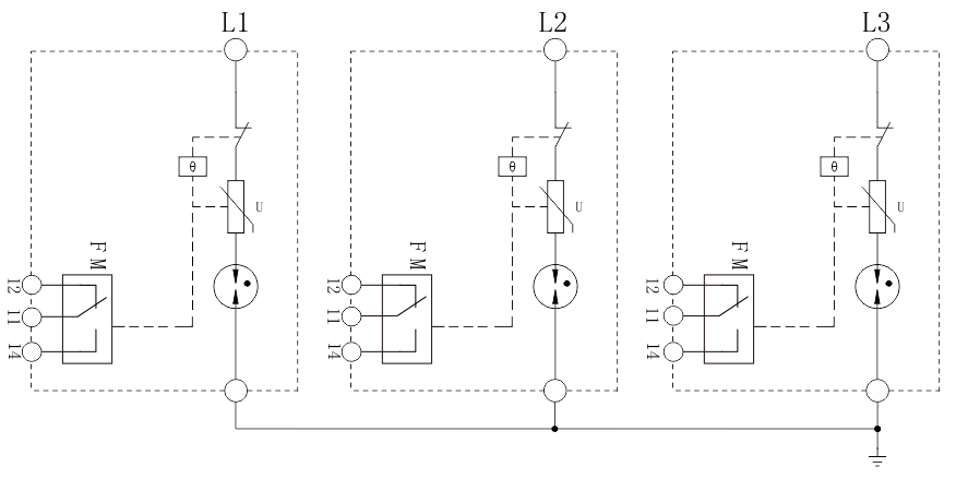
회로 원리 개요도
외형 구조