개요
본 제품은 전원 모듈 헤드와 베이스로 구성되어 있으며, 직류(DC) 시스템의 + — -, - — PE 회로에 대한 Class 2 또는 Class 3 보호에 사용됩니다. DC 전원과 시스템 장비 사이에 직렬 또는 병렬로 설치되어, 낙뢰, 전자기 방해 등의 외부 요인이나 스위치 작동, 유도성 및 용량성 부하의 기동 및 정지 등 내부 요인으로 인해 발생하는 서지 펄스 및 순간 과전압으로부터 장비를 보호합니다.
특징
1. 플러그인 모듈은 역삽입 및 오삽 방지 기능을 갖춤.
2. 잔류 전압이 낮음.
3. 과열 보호 기능 탑재.
4. 고장 표시 및 원격 통합 경보용 무전압 접점 지원.
적용 기준
IEC 61643-11: 2011; EN 61643-11: 2012
사용 환경
| 온도 범위 |
-40 ℃~80 ℃ |
| 상대 습도 범위 |
5 %~95 % |
| 해표고도 |
-500 m~﹢4000 m |
기술 지표
| 모델명 |
ZGGH10-24 |
| IEC 61643-1에 따른 SPD (서지보호장치) |
Class Ⅱ; Class Ⅲ |
| EN 61643-1에 따른 SPD (서지보호장치) |
Type 2; Type 3 |
| 최대연속사용전압 Uc |
+ — -: 45 V DC; - — PE: 0 V |
| 정격 방전 전류 In (8/20 μs) |
5 kA |
| 최대 방전 전류 Imax (8/20 μs) |
100 kA |
| 전압보호레벨 Up |
+ — -: 280 V; - — PE: 800 V |
| 복합파 Uoc |
10 kV |
| 정격 부하 전류 IL |
25 A |
| 최대 백업 퓨즈 |
25 A gL/gG |
| 접속 방식 |
직렬, 병렬 |
| 보호 모드 |
+ — -; - — PE |
| 응답 시간 tA |
+ — -: ≤ 25 ns; - — PE: ≤ 100 ns |
| 단자에 연결되는 구리선의 단면적 |
다심선: 0.2 mm2~2.5 mm2; 단심선: 0.2 mm2~4 mm2 |
| 원격신호 인터페이스 최대 배선 면적 |
2.5 mm2 |
| 원격신호 경보 접점 강도 |
AC: 250 V/0.75 A 125 V/3 A DC: 30 V/2 A |
| 토크: 단자 / 원격신호 인터페이스 |
0.5 N•m |
| 외함 보호등급 (코드) |
IP 20 |
| 적용 시스템 |
직류 시스템 |
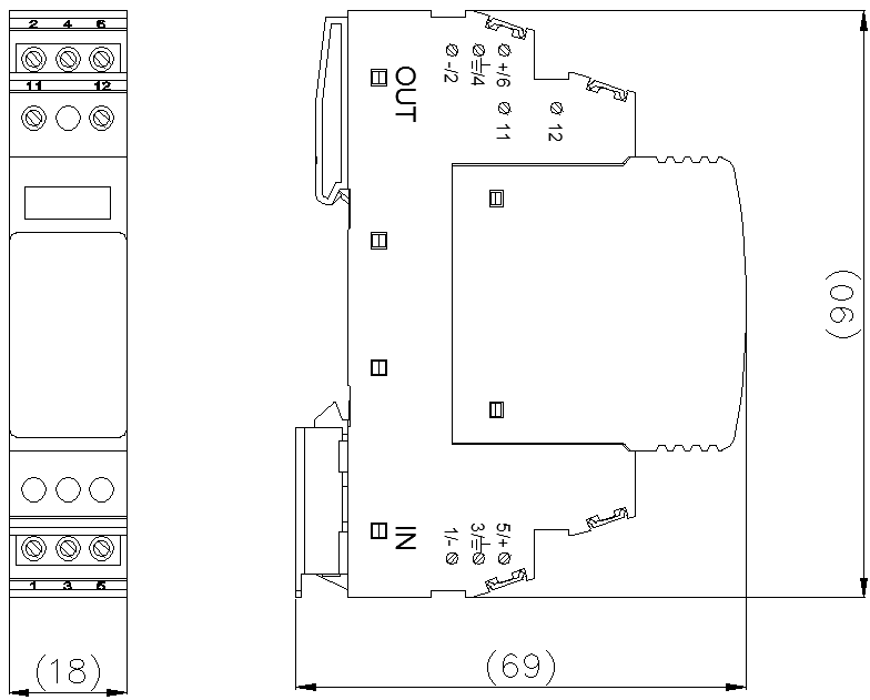
| 외형 치수 |
90 mm×18 mm×69 mm (원격신호 단자제외) |
| 설치 형식 |
35 mm 표준 DIN 레일 |
| 난연 등급 |
UL94 V-0 |
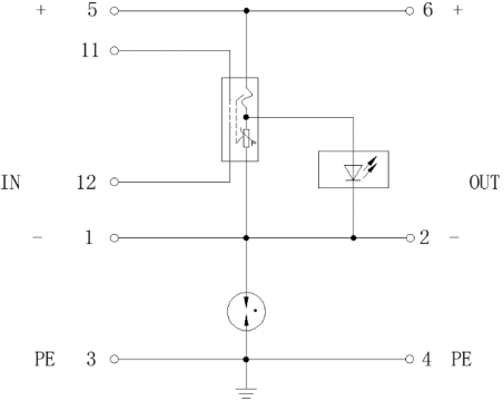
회로 원리 개요도
회로 원리 개요도