개요
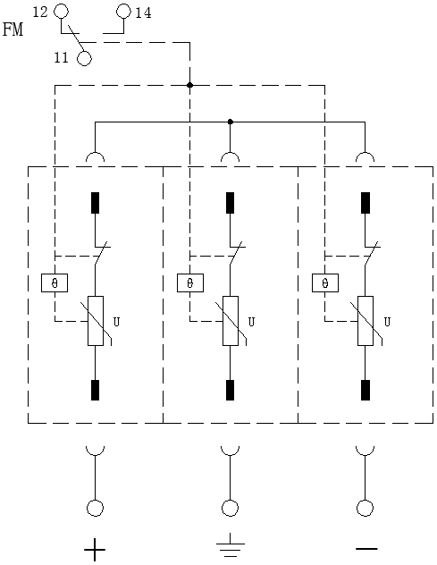
ZGG40-1000(2+1)PV DC 전원 시스템 또는 태양광 발전 시스템에 병렬로 설치되며, 태양광 발전소 인버터의 Class 2 보호에 사용됩니다. 내부에 금속산화물바리스터를 보호 소자로 사용하며, 과열 및 과전류 방지를 위한 안전 분리 메커니즘이 내장되어 있어, 고장 시 DC 아크를 안전하게 차단하여 화재 등의 사고를 방지합니다. SPD(서지보호장치)는 평상시 고임피던스 상태를 유지하다가 서지 전류 또는 과전압이 발생하면 25ns 이내에 반응하여 지속적으로 임피던스를 낮추며, 양단 전압을 낮은 수준으로 제한하여 낙뢰 과전압(직격뢰에 의한 과전압, 유도뢰에 의한 과전압 등), 작동 과전압(스위칭, 고장 발생, 차단 등에 의한 과전압), 임시 과전압(저압 시스템 고장, 커패시터 동작, 모터 기동·정지 등에 의한 과전압)으로부터 장비를 보호합니다.
특징
1. 플러그인 모듈은 역삽입 방지 기능을 갖추고 있습니다.
2. 통전 용량이 크고 잔류 전압이 낮음 안전성과 신뢰성이 높음.
3. 과열 보호 기능 탑재.
4. 고장 표시 및 원격 통합 경보용 무전압 접점 지원.
5. 외함 방호 등급: IP20, 난연 등급: UL 94 V-0.
적용 기준
EN 50539-11: 2013
사용 환경
| 온도 범위 |
-40 ℃~80 ℃ |
| 상대 습도 범위 |
5%~95% |
| 해표고도 |
-500 m~﹢4000 m |
기술 지표
| 모델명 |
ZGG40-1000(2+1)PV |
| EN 50539-11: 2013 에 따른 SPD (서지보호장치) |
Type 2 |
| 과부하 특성 모드 |
개방 회로 모드 |
| 최대연속사용전압 Uc |
1200 V DC |
| 정격 단락 전류 ISCPV |
1 kA |
| 정격 방전 전류 In (8/20 μs) |
20 kA |
| 최대 방전 전류 Imax (8/20 μs) |
40 kA |
| 전압보호레벨 Up |
4.0 kV |
| 잔류 전류 IPE |
DC: ≤ 20 μA; AC: ≤ 500 μA |
| 접속 방식 |
병렬 |
| 보호 모드 |
+ — -、+/- — PE |
| 응답 시간 tA |
≤ 25 ns |
| 단자에 연결되는 구리선의 단면적 |
다심선: 1.5 mm2~25 mm2; 단심선: 1.5 mm2~35 mm2 |
| 원격신호 인터페이스 최대 배선 면적 |
1.5 mm2 |
| 원격신호 경보 접점 강도 |
AC: 250 V/0.5 A 125 V/1 A DC: 30 V/0.1 A |
| 토크: 단자 / 원격신호 인터페이스 |
2.5 N•m /0.25 N•m |
| 외함 보호등급 (코드) |
IP 20 |
| 적용 시스템 |
태양광 시스템 |
| 외형 치수 |
90 mm×54 mm×67 mm (원격신호 단자제외) |
| 설치 형식 |
35 mm 표준 DIN 레일 |
| 난연 등급 |
UL94 V-0 |
회로 원리 개요도
외형 구조