개요
ZGGS40-670PVs1 전원 모듈 서지보호장치는 보호용으로, MOV, 난연 하우징, 금속 부품으로 구성되며 PCB 온보드 설치 방식으로 장착됩니다. 난연, 과전류·과열 보호, 원격 신호 경보 기능을 제공합니다. 저압 AC/DC 배전 시스템 및 전기 설비의 Class 2 및 Class 3 서지 보호에 주로 사용됩니다.
특징
1. 소형 구조, 대전류 통과 가능, 빠른 응답 속도, 연속 전류 없음.
적용 기준
IEC 61643-11: 2011; EN 61643-11: 2012; UL1449 Ed.4; EN 50539-11: 2013
사용 환경
| 온도 범위 |
-40 ℃~85 ℃ |
| 상대 습도 범위 |
5%~95% |
| 해표고도 |
-500 m~﹢4000 m |
기술 지표
| 모델명 |
ZGGS40-670PVs1 |
| IEC 61643-11: 2011 에 따른 SPD (서지보호장치) |
Class II |
| EN 61643-11: 2012 에 따른 SPD (서지보호장치) |
Type 2 |
| 포트 수량 |
1 |
| 최대연속사용전압 Uc |
510V AC |
| 작동 주파수 |
50/60 Hz |
| 정격 방전 전류 In (8/20 μs) |
20 kA |
| 최대 방전 전류 Imax (8/20 μs) |
40 kA |
| 최대 백업 퓨즈 |
80 A gL/gG |
| 전압보호레벨 Up |
2.3 kV |
| 접속 방식 |
PCB 온보드 병렬 |
| 설치 방식 |
온보드 |
| 응답 시간 tA |
≤ 25 ns |
| 원격 알람 방식 |
정상: 정상 폐쇄; 고장: 개방 회로 |
| 원격 신호 알람 포트 접점 강도 |
30 V DC, 0.1 A; 125 V AC, 1 A |
| 외함 보호등급 |
IP 20 |
| 적용 장소 |
실내 |
| 적용 시스템 |
TN; TT, IT; L-N |
| 외함 재질 |
UL94V-0 |
| EN 50539-11: 2013 에 따른 SPD (서지보호장치) |
Type 2 |
| 최대연속사용전압 Ucpv |
670 V DC |
| 정격 단락 전류 Iscpv |
1000 A |
| 정격 방전 전류 In (8/20 μs) |
20k A |
| 최대 방전 전류 Imax (8/20 μs) |
40k A |
| 전압보호레벨 Up |
2.3 kV |
| 응답 시간 tA |
≤ 25 ns |
| 보호 모드 |
+ — -, +/- — PE |
| 적용 시스템 |
태양광 시스템 |
회로 원리 개요도
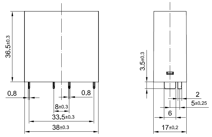
외형 구조
외형 구조

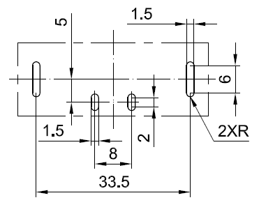
PCB 개공 참고도