


|
Temperature
|
-40 ℃~80 ℃
|
|
Relative humidity
|
5 %~95 %
|
|
altitude
|
-500 m~﹢4000 m
|
|
Model
|
ZGG40-150(3+0)hs
|
ZGG40-275(3+0)hs
|
ZGG40-320(3+0)hs
|
ZGG40-385(3+0)hs
|
ZGG40-440(3+0)hs
|
|
SPD according to IEC 61643-11
|
Class Ⅱ
|
||||
|
SPD according to EN 61643-11
|
Type 2
|
||||
|
Max. continuous operating voltage UC
|
150 V AC
|
275 V AC
|
320 V AC
|
385 V AC
|
440 V AC
|
|
Operating frequency
|
50/60 Hz
|
||||
|
Nominal discharge current In (8/20 μs)
|
20 kA
|
||||
|
Max. discharge current Imax (8/20 μs)
|
40 kA
|
||||
|
Voltage protection level Up
|
1.0 kV
|
1.4 kV
|
1.6 kV
|
1.8 kV
|
2.2 kV
|
|
Max. backup fuse
|
80 A gL/gG
|
||||
|
Connection mode
|
parallel
|
||||
|
Protection mode
|
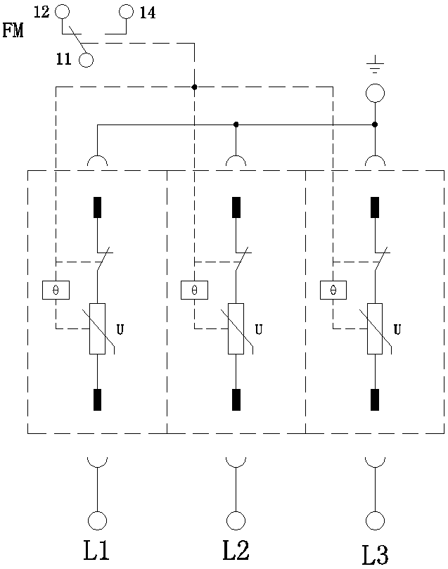
L-PEN
|
||||
|
Response time tA
|
≤ 25 ns
|
||||
|
Cross-sectional Area
|
Stranded: 1.5 mm2 ~ 25 mm2, Solid: 1.5 mm2~35 mm2
|
||||
|
Max. Cross-sectional Area For Remote signalling terminals
|
1.5 mm2
|
||||
|
Switching capacity of remote signalling alarm contacts
|
AC: 250 V/0.5 A 125 V/1 A DC: 30 V/0.1 A
|
||||
|
Torque: Connecting Terminal/Remote Signalling Interface
|
2.5 N•m /0.25 N•m
|
||||
|
Degree of Protection
(IP Code) |
IP20
|
||||
|
Installation system
|
TN-C
|
||||
|
Mounting on
|
DIN 35 mm rail
|
||||
|
Flammability
|
UL94 V-0
|
||||

