四川中光防雷科技股份有限公司
Productos
 
 
Descripción general
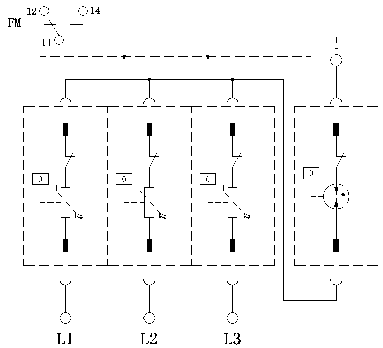
ZGG40-850(3+1)f
 Compuesto por un módulo de potencia tipo varistor, un módulo de potencia tipo de tubo de descarga de gas y una base, son utilizados para la protección de Tipo 2 de L-PE.

Característica
1. Los módulos enchufables tienen funciones anti-inserción incorrecta y anti-intercambio.
2. Alta capacidad de descarga, baja tensión residual.
3. Protección contra sobrecalentamiento.
4. Indicación de fallo y contacto seco para alarma remota centralizada.
5. Grado de protección de la carcasa IP20, clasificación de inflamabilidad UL 94 V-0.

Estándares Aplicables
 IEC 61643-11: 2011; EN 61643-11: 2012

Ambiente de Operación
Rango de Temperatura -40℃~80℃
Rango de Humedad Relativa 5%~95%
Rango de Altitud -500m~﹢4000m
Especificaciones Técnicas
Modelo ZGG40-850(3+1)f
Protector contra sobretensiones según IEC 61643-11 Class Ⅱ
Protector contra sobretensiones según EN 61643-11 Type 2
Tensión Máxima de Servicio Continuo Uc 850 V AC
Frecuencia de Operación 50/60 Hz
Corriente Nominal de Descarga In (8/20 μs) 20 kA
Corriente Máxima de Descarga Imax (8/20 μs) 40 kA
Nivel de Protección de Tensión Up  4.0 kV
Fusible de Respaldo Máximo 80 A gL/gG 
Modo de Conexión En paralelo
Modo de Protección L-PE
Tiempo de Respuesta tA ≤100 ns
Sección Transversal del Conductor de Cobre para Terminales de Conexión Cable multinúcleo: 1.5 mm2~25 mm2
Cable unifilar: 1.5 mm2~35 mm2
Sección Máxima de Cableado para Interfaz de Señalización Remota 1.5 mm2
Capacidad de los Contactos de Alarma por Señalización Remota AC: 250 V/0.5 A   125 V/1 A    DC: 30 V/0.1 A
Par de Apriete: Terminales / Interfaz de Señalización Remota 2.5 N•m /0.25 N•m
Grado de Protección de la Carcasa (Código IP) IP 20
Dimensiones Externas 90 mm×72 mm×68 mm (No incluye terminales de señalización remota)
Forma de Montaje 35 mm Carril estándar (DIN)
Clasificación de Inflamabilidad UL94 V-0
 
Diagrama Esquemático del Circuito

 
Estructura Externa