四川中光防雷科技股份有限公司
Productos
 
Descripción general
ZGG30-1260(3+1)Zf
 Compuesto por un módulo varistor y un módulo tubo de descarga de gas, provisto del modo de protección L-PE. Aplicado en sistemas de distribución de CA de baja tensión, conectado en paralelo entre la fuente de alimentación de CA y el equipo del sistema, y dedicado a proteger contra daños causados por impulsos de sobretensión y sobretensiones transitorias originadas por factores externos (rayos, interferencias de radiación electromagnética, etc.) o internos del sistema (efectos de conmutación del sistema, arranque y parada de cargas inductivas y capacitivas, etc.).

Característica
1. Alta capacidad de descarga, baja tensión residual.
2. Protección contra sobrecalentamiento.
3. Indicación de fallo y contacto seco para alarma remota centralizada.
4. Grado de protección de la carcasa IP20, clasificación de inflamabilidad UL 94 V-0.

Estándares Aplicables
 IEC 61643-11: 2011;  EN 61643-11: 2012

Ambiente de Operación
Rango de Temperatura -40℃~80℃
Rango de Humedad Relativa 5%~95%
Rango de Altitud -500m~﹢4000m
Especificaciones Técnicas
Modelo ZGG30-1260(3+1)Zf
Protector contra sobretensiones según IEC 61643-11 Class Ⅱ
Protector contra sobretensiones según EN 61643-11 Type 2
Tensión Máxima de Servicio Continuo Uc  1260 V AC
Frecuencia de Operación 50/60 Hz
Corriente Nominal de Descarga In (8/20 μs) 15 kA
Corriente Máxima de Descarga Imax (8/20 μs) 30 kA
Corriente Total de Descarga ITotal (8/20 μs) 100 kA
Tensión de Disrupción por Impulso (1kV/ us) ≥ 2.2 kV
Nivel de Protección de Tensión Up  5 kV
Fusible de Respaldo Máximo 63 A gL/gG 
Modo de Conexión En paralelo
Modo de Protección L-PE
Tiempo de Respuesta tA ≤100 ns
Sección Transversal del Conductor de Cobre para Terminales de Conexión Cable multinúcleo: 1.5 mm2~25 mm2
Cable unifilar: 1.5 mm2~35 mm2
Sección Máxima de Cableado para Interfaz de Señalización Remota 1.5 mm2
Capacidad de los Contactos de Alarma por Señalización Remota AC: 250 V/0.5 A   125 V/1 A    DC: 30 V/0.1 A
Par de Apriete: Terminales / Interfaz de Señalización Remota 2.5 N•m /0.25 N•m
Grado de Protección de la Carcasa (Código IP) IP 20
Dimensiones Externas 144 mm×90 mm×65.5 mm (No incluye terminales de señalización remota)
Forma de Montaje 35 mm Carril estándar (DIN)
Clasificación de Inflamabilidad UL94 V-0
 
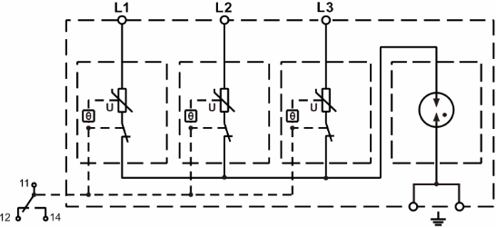
Diagrama Esquemático del Circuito


 
Estructura Externa