Descripción general
El protector contra sobretensiones modular de potencia,Está compuesto por MOV, carcasa ignífuga y componentes metálicos, Cuenta con funciones ignífugas, protección contra sobrecorriente y sobrecalentamiento, y alarma remota. Cuenta con funciones ignífugas, protección contra sobrecorriente y sobrecalentamiento, diseñado para montaje en PCB. Utilizado principalmente para la protección contra sobretensiones de Tipo 2 y Tipo 3 en sistemas de alimentación y distribución de CA/CC de baja tensión y equipos eléctricos.
Característica
Tamaño reducido, alta capacidad de descarga, tiempo de respuesta rápido, sin corriente de seguimiento.
Estándares Aplicables
IEC 61643-11: 2011; EN 61643-11: 2012; UL1449 Ed.4; EN 50539-11: 2013
Ambiente de Operación
| Rango de Temperatura |
-40 ℃~85 ℃ |
| Rango de Humedad Relativa |
5%~95% |
| Rango de Altitud |
-500 m~﹢4000 m |
Especificaciones Técnicas
| Modelo |
ZGGS40-670PVs1 |
| Protector contra sobretensiones según IEC 61643-11:2011 |
Class II |
| Protector contra sobretensiones según EN 61643-11:2012 |
Type 2 |
| Número de Puertos |
1 |
| Tensión Máxima de Servicio Continuo Uc |
510V AC |
| Frecuencia de Operación |
50/60Hz |
| Corriente Nominal de Descarga In (8/20 μs) |
20 kA |
| Corriente Máxima de Descarga Imax (8/20 μs) |
40 kA |
| Fusible de Respaldo Máximo |
80 A gL/gG |
| Nivel de Protección de Tensión Up |
2.3kV |
| Modo de Conexión |
En paralelo sobre PCB |
| Tipo de Montaje |
Integrado en placa |
| Tiempo de Respuesta tA |
≤25 ns |
| Modo de Alarma por Señalización Remota |
Normal: normalmente cerrado (NC); Fallo: circuito abierto (CA/OC) |
| Intensidad de contacto del puerto de alarma remota |
30V DC, 0.1A; 125V AC, 1A |
| Grado de Protección de la Carcasa |
IP 20 |
| Casos de Uso |
Interior |
| Sistema de Aplicación |
TN; TT, IT; L-N |
| Material de la Carcasa |
UL94V-0 |
| Protector contra sobretensiones según EN 50539-11: 2013 |
Type 2 |
| Tensión Máxima de Servicio Continuo Ucpv |
670V DC |
| Corriente Nominal de Cortocircuito Iscpv |
1000A |
| Corriente Nominal de Descarga In (8/20 μs) |
20kA |
| Corriente Máxima de Descarga Imax (8/20 μs) |
40kA |
| Nivel de Protección de Tensión Up |
2.3kV |
| Tiempo de Respuesta tA |
≤25ns |
| Modo de Protección |
+ — -, +/- — PE |
| Sistema de Aplicación |
Sistema fotovoltaico |
Diagrama Esquemático del Circuito
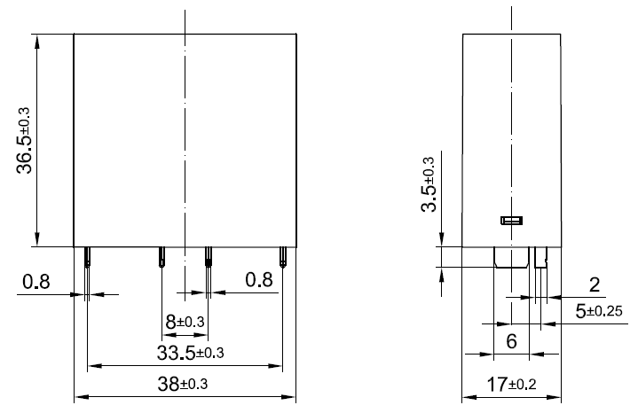
Estructura Externa
Plano de dimensiones del diseño

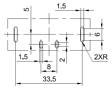
Dibujo de referencia para taladros en PCB