概述
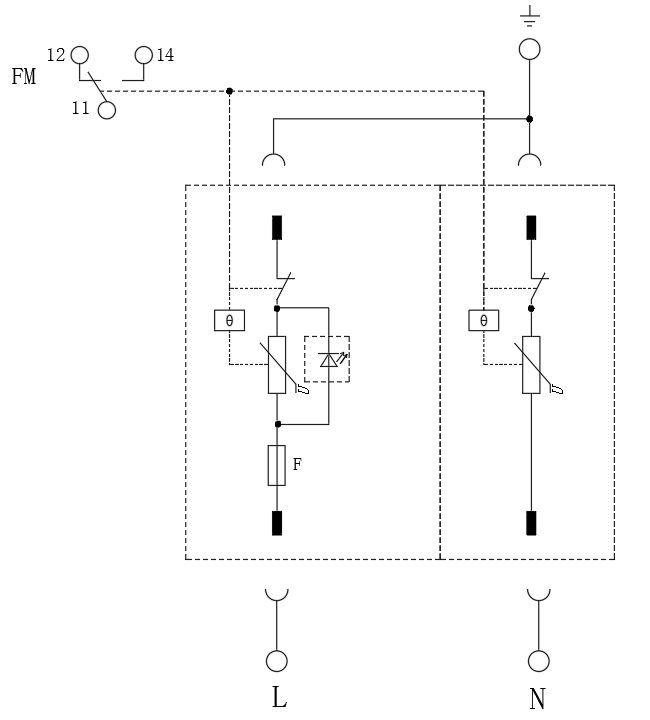
ZGGB40-385(2+0) バリスタ式電源モジュール ベースで構成され,それぞれL-NとN-PEの保護レベル2の保護デバイスとして使用されます。この電源モジュールのサージ防護デバイスはヒューズを内蔵しているため、外付けのバックアップヒューズが不要で、設置スペースを節約することができます。
特徴
1. プラグインモジュールは逆プラグ防止とインタープラグ防止機能があります。
2. 外付けのバックアップヒューズが不要で。
3. 高放電容量、低残留電圧を達成します。
4. 過熱保護・過電流保護機能を搭載。
5. 故障表示と集中遠隔信号警報ドライ接点があります。
6. ハウジングの保護レベルはIP 20、難燃グレードはUL 94 V-0です。
執行標準
IEC 61643-11:2011
使用環境
| 温度範囲 |
-40℃~80℃ |
| 相対湿度範囲 |
以下 95% (25℃) |
| 標高範囲 |
-500m~﹢4000m |
技術指標
| 型式 |
ZGGB40-385(2+0) |
| サージ防護デバイス (SPD) は国家標準IEC 61643-1/11に基づく |
Class Ⅱ |
| サージ防護デバイス (SPD) は国家標準EN 61643-11に基づく |
Type 2 |
| 最大連続使用作動電圧 Uc |
385 V AC |
| 動作周波数 |
50/60 Hz |
| 公称放電電流 In (8/20 μs) |
20 kA |
| 最大放電電流 Imax (8/20 μs) |
40 kA |
| 電圧保護レベル Up |
2.0 kV |
| 配線方法 |
並列 |
| 防護モード |
L/N-PE |
| 応答時間 tA |
≤25 ns |
| 配線端子に接続される銅線の断面積 |
多芯線:1.5 mm2~25 mm2
単芯線: 1.5 mm2~35 mm2 |
| 遠隔信号インターフェースに接続する銅線の断面積 |
0.5~1.5 mm2 |
| 遠隔信号警告接点強度 |
AC: 125 V/0.5 A DC: 30 V/0.1 A |
| トルクトルク: 配線端子/遠隔信号インターフェース |
2.5 N•m /0.25 N•m |
| ハウジング保護レベル (コード) |
IP 20 |
| アプリケーションシステム |
TN-S |
| 外形寸法 |
90 mm×36 mm×76 mm (遠隔信号端子含まれない) |
| 設置形式 |
35 mm 標准的なガイドレール |
| 難燃グレード |
UL94 V-0 |
回路原理模式図
外観構造