
| 温度範囲 | -40℃~80℃ |
| 相対湿度範囲 |
以下 95% (25℃)
|
| 標高範囲 | -500m~﹢4000m |
| 型式 | ZGGB40-385(1+1) | |
| サージ防護デバイス (SPD) は国家標準IEC 61643-1/11に基づく | Class Ⅱ | |
| サージ防護デバイス (SPD) は国家標準EN 61643-11に基づく | Type 2 | |
| 最大連続使用作動電圧 Uc | 385 V AC | 255 V AC |
| 動作周波数 | 50/60 Hz | |
| 公称放電電流 In (8/20 μs) | 20 kA | |
| 最大放電電流 Imax (8/20 μs) | 40 kA | |
| 電圧保護レベル Up | 2.0 kV | 1.5 kV |
| 定格続流遮断導通電流 Ifi | / | 100 Arms |
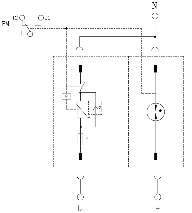
| 配線方法 | 並列 | |
| 防護モード | L-N | N-PE |
| 応答時間 tA | ≤25 ns | |
| 配線端子に接続される銅線の断面積 | 多芯線: 1.5 mm2~25 mm2 単芯線: 1.5 mm2~35 mm2 |
|
| 遠隔信号インターフェースに接続する銅線の断面積 | 0.5~1.5 mm2 | |
| 遠隔信号警告接点強度 | AC: 125 V/0.5 A DC: 30 V/0.1 A | |
| トルクトルク: 配線端子/遠隔信号インターフェース | 2.5 N•m /0.25 N•m | |
| ハウジング保護レベル (コード) | IP 20 | |
| アプリケーションシステム | TT, TN | |
| 外形寸法 | 90 mm×36 mm×76 mm (遠隔信号端子含まれない) | |
| 設置形式 | 35 mm 標准的なガイドレール | |
| 難燃グレード | UL94 V-0 | |

