四川中光防雷科技股份有限公司
製品
 

 
概述
電源モジュールヘッドとベースで構成され、交流システムL-N、L/N-PEの保護レベル2・3の保護デバイスとして使用され、交流電源とシステム機器の間に直列または並列に接続され、外部(落雷、電磁波障害など)またはシステム内部(システムのスイッチング効果、誘導性負荷と容量性負荷の起動、停止など)のサージインパルスと機器への瞬時過電圧による損傷を効果的に防ぎます。

特徴
1. プラグインモジュールは逆プラグ防止機能。
2. 低残留電圧。
3. 過熱保護機能があります。
4. 故障表示と集中遠隔信号警報ドライ接点があります。
5. ハウジングの保護レベルはIP 20、難燃グレードはUL 94 V-0です。

執行標準
IEC 61643-1: 2005; UL 1449 Ed.4

使用環境
温度範囲 -40 ℃~80 ℃
相対湿度範囲 5 %~95 %
標高範囲 -500 m~﹢4000 m
技術指標
型式 ZGGH20-275
サージ防護デバイス (SPD) は国家標準IEC 61643-1に基づく Class Ⅱ, Class Ⅲ
サージ防護デバイス (SPD) は国家標準EN 61643-11に基づく Type 2, Type 3
最大連続使用作動電圧 Uc  275 V AC
公称放電電流 In (8/20 μs) 10 kA
最大放電電流 Imax (8/20 μs) 20 kA
電圧保護レベルⅡ Up  L-N: 1.5 kV; L/N-PE: 1.8 kV
電圧保護レベルⅢ Up L-N: 1.5 kV; L/N-PE: 1.5 kV
複合波 Uoc 20 kV
制限電圧 (6 kV 1.2/50 μs, 3 kA 8/20 μs) L-N: 1.1 kV; L/N-PE: 1.1 kV
定格負荷電流 IL 25 A
最大バックアップヒューズ 25 A gL/gG 
配線方法 直列、並列
防護モード L-N; L/N-PE
応答時間 tA L-N: ≤25 ns; L/N-PE: ≤100 ns
配線端子に接続される銅線の断面積 多芯線: 0.2 mm2~2.5 mm2, 単芯線: 0.2 mm2~4 mm2
遠隔信号インターフェースの最大配線面積 2.5 mm2
遠隔信号警告接点強度 AC: 250 V/0.75 A   125 V/3 A    DC: 30 V/2 A
トルクトルク: 配線端子/遠隔信号インターフェース 1.0 N•m
ハウジング保護レベル (コード) IP 20
アプリケーションシステム TN, TT
外形寸法 90 mm×18 mm×69 mm ( 遠隔信号端子含まれない)
設置形式 35 mm 標准的なガイドレール
難燃グレード UL94 V-0

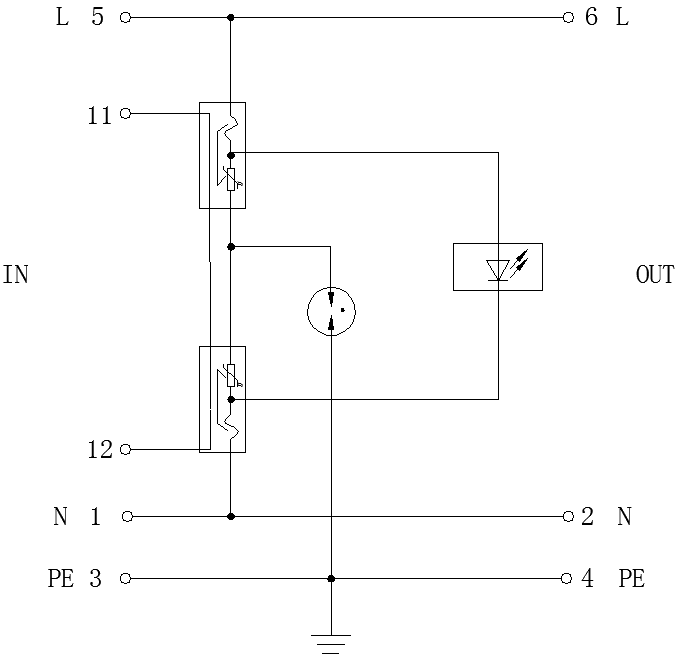
回路原理模式図

 
外観構造