


| 温度範囲 | -40 ℃~80 ℃ |
| 相対湿度範囲 | 5 %~95 % |
| 標高範囲 | -500 m~﹢4000 m |
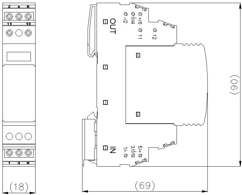
| 型式 | ZGGH10-24 |
| サージ防護デバイス (SPD) は国家標準IEC 61643-1に基づく | Class Ⅱ; Class Ⅲ |
| サージ防護デバイス (SPD) は国家標準EN 61643-11に基づく | Type 2; Type 3 |
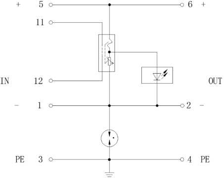
| 最大連続使用作動電圧 Uc | + — -: 45 V DC; -—PE: 0 V |
| 公称放電電流 In (8/20 μs) | 5 kA |
| 最大放電電流 Imax (8/20 μs) | 100 kA |
| 電圧保護レベル Up | + — -: 280 V; - — PE: 800 V |
| 複合波 Uoc | 10 kV |
| 定格負荷電流 IL | 25 A |
| 最大バックアップヒューズ | 25 A gL/gG |
| 配線方法 | 直列、並列 |
| 防護モード | + - -; - - PE |
| 応答時間 tA | + - -: ≤25 ns; - - PE: ≤100 ns |
| 配線端子に接続される銅線の断面積 | 多芯線: 0.2 mm2~2.5 mm2 単芯線: 0.2 mm2~4 mm2 |
| 遠隔信号インターフェースの最大配線面積 | 2.5 mm2 |
| 遠隔信号警告接点強度 | AC: 250 V/0.75 A 125 V/3 A DC: 30 V/2 A |
| トルクトルク: 配線端子/遠隔信号インターフェース | 0.5 N•m |
| ハウジング保護レベル (コード) | IP 20 |
| アプリケーションシステム |
直流システム
|
| 外形寸法 | 90 mm×18 mm×69 mm (遠隔信号端子含まれない) |
| 設置形式 | 35 mm 標准的なガイドレール |
| 難燃グレード | UL94 V-0 |
