


| 온도 범위 | -40℃~80℃ |
| 상대 습도 범위 | 5%~95% |
| 해표고도 | -500m~﹢4000m |
| 모델명 | ZGG40-75(1+1)hs | ZGG40-275(1+1)hs | ZGG40-320(1+1)hs | |
| IEC 61643-11에 따른 SPD (서지보호장치) | Class Ⅰ and Class Ⅱ | Class Ⅱ | ||
| EN 61643-1에 따른 SPD (서지보호장치) |
Type 1 and Type 2 | Type 2 | ||
| 최대연속사용전압 Uc | L-N: 75 V AC, 100 V DC N-PE: 150 V AC |
L-N: 275 V AC N-PE: 260 V AC |
L-N: 320 V AC N-PE: 260 V AC |
|
| 작동 주파수 | / | 50/60 Hz | ||
| 정격 방전 전류 In (8/20 μs) | L-N: 15 kA, N-PE: 20 kA | 20 kA | ||
| 최대 방전 전류 Imax (8/20 μs) | 40 kA | |||
| 임펄스전류 Iimp (10/350 μs) | L-N: 4 kA | |||
| 전압보호레벨 Up | L-N: 0.65 kV, N-PE: 1 kV | L-N: 1.4 kV, N-PE: 1.5 kV | L-N: 1.6 kV, N-PE: 1.5 kV | |
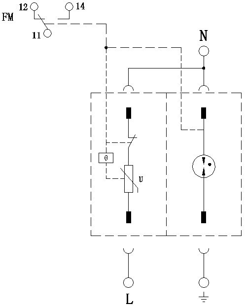
| 정격 차단 잔류 전류 값 Ifi | N-PE: 100 Arms | |||
| 최대 백업 퓨즈 | 63 A gL/gG | 80 A gL/gG | ||
| 접속 방식 | 병렬 | |||
| 보호 모드 | L(+)-N(-), N(-)-PE | L-N, L-PN | ||
| 응답 시간 tA | L-N: ≤25 ns; N-PE: ≤100 ns | |||
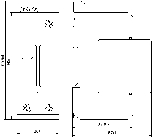
| 단자에 연결되는 구리선의 단면적 | 다심선: 1.5 mm2 ~ 25 mm2, 단심선: 1.5 mm2 ~ 35 mm2 | |||
| 원격신호 인터페이스 최대 배선 면적 | 1.5 mm2 | |||
| 원격신호 경보 접점 강도 | AC: 250 V/0.5 A 125 V/1 A DC: 30 V/0.1 A | |||
| 토크: 단자 / 원격신호 인터페이스 | 2.5 N•m /0.25 N•m | |||
| 외함 보호등급 (코드) | IP 20 | |||
| 적용 시스템 | TN, TT | TT, TN | TT, TN | |
| 설치 형식 | 35 mm 표준 DIN 레일 | |||
| 난연 등급 | UL94 V-0 | |||
| 모델명 | ZGG40-385(1+1)hs | ZGG40-440(1+1)hs | |
| IEC 61643-11에 따른 SPD (서지보호장치) |
Class Ⅱ | ||
| EN 61643-11에 따른 SPD (서지보호장치) |
Type 2 | ||
| 최대연속사용전압 Uc | L-N: 385 V AC, N-PE: 260 V AC | L-N: 440 V AC, N-PE: 260 V AC | |
| 작동 주파수 | 50/60 Hz | ||
| 정격 방전 전류 In (8/20μs) | 20 kA | ||
| 대 방전 전류 Imax (8/20μs) | 40 kA | ||
| 전압보호레벨 Up | L-N: 1.8 kV, N-PE: 1.5 kV | L-N: 2.2 kV, N-PE: 1.5 kV | |
| 정격 차단 잔류 전류 값Ifi | N-PE: 100 Arms | ||
| 최대 백업 퓨즈 | 80 A gL/gG | ||
| 접속 방식 | 병렬 | ||
| 보호 모드 | L-N, N-PE | ||
| 응답 시간 tA | L-N: ≤25 ns; N-PE: ≤100 ns | ||
| 단자에 연결되는 구리선의 단면적 | 다심선: 1.5 mm2 ~ 25 mm2; 단심선: 1.5 mm2 ~ 35 mm2 | ||
| 원격신호 인터페이스 최대 배선 면적 | 1.5 mm2 | ||
| 원격신호 경보 접점 강도 | AC: 250 V/0.5 A 125 V/1 A DC: 30 V/0.1 A | ||
| 토크: 단자 / 원격신호 인터페이스 | 2.5 N•m /0.25 N•m | ||
| 외함 보호등급 (코드) | IP 20 | ||
| 적용 시스템 | TT, TN | TT, TN, IT | |
| 설치 형식 | 35 mm 표준 DIN 레일 | ||
| 난연 등급 | UL94 V-0 | ||
