


| 온도 범위 | -40℃~80℃ |
| 상대 습도 범위 | 5%~95% |
| 해표고도 | -500m ~ +4000m |
| 모델명 | ZGG40-150(3+0)hs | ZGG40-275(3+0)hs | ZGG40-320(3+0)hs |
| IEC 61643-11에 따른 SPD (서지보호장치) |
Class Ⅱ | ||
| EN 61643-11에 따른 SPD (서지보호장치) |
Type 2 | ||
| 최대연속사용전압 Uc | 150 V AC | 275 V AC | 320 V AC |
| 작동 주파수 | 50/60 Hz | ||
| 정격 방전 전류 In(8/20μs) | 20 kA | ||
| 최대 방전 전류 Imax(8/20μs) | 40 kA | ||
| 전압보호레벨 Up | 1.0 kV | 1.4 kV | 1.6 kV |
| 최대 백업 퓨즈 | 80 A gL/gG | ||
| 접속 방식 | 병렬 | ||
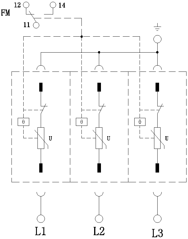
| 보호 모드 | L-PEN | ||
| 응답 시간 tA | ≤25 ns | ||
| 단자에 연결되는 구리선의 단면적 | 다심선: 1.5 mm2 ~ 25 mm2, 단심선: 1.5 mm2 ~ 35 mm2 | ||
| 원격신호 인터페이스 최대 배선 면적 | 1.5 mm2 | ||
| 원격신호 경보 접점 강도 | AC: 250 V/0.5 A 125 V/1 A DC: 30 V/0.1 A | ||
| 토크: 단자 / 원격신호 인터페이스 | 2.5 N•m /0.25 N•m | ||
| 외함 보호등급 (코드) | IP 20 | ||
|
적용 시스템
|
TN-C | ||
| 적용 시스템 | 35 mm 표준 DIN 레일 | ||
| 난연 등급 | UL94 V-0 | ||
| 모델명 | ZGG40-385(3+0)hs | ZGG40-440(3+0)hs |
| IEC 61643-11에 따른 SPD (서지보호장치) |
Class Ⅱ | |
| EN 61643-11에 따른 SPD (서지보호장치) |
Type 2 | |
| 최대연속사용전압 Uc | 385 V AC | 440 V AC |
| 작동 주파수 | 50/60 Hz | |
| 정격 방전 전류 In(8/20μs) | 20 kA | |
| 최대 방전 전류 Imax(8/20μs) | 40 kA | |
| 전압보호레벨 Up | 1.8 kV | 2.2 kV |
| 최대 백업 퓨즈 | 80 A gL/gG | |
| 접속 방식 | 병렬 | |
| 보호 모드 | L-PEN | |
| 응답 시간 tA | ≤25 ns | |
| 단자에 연결되는 구리선의 단면적 | 다심선: 1.5 mm2 ~ 25 mm2, 단심선: 1.5 mm2 ~ 35 mm2 | |
| 원격신호 인터페이스 최대 배선 면적 | 1.5 mm2 | |
| 원격신호 경보 접점 강도 | AC: 250 V/0.5 A 125 V/1 A DC: 30 V/0.1 A | |
| 토크: 단자 / 원격신호 인터페이스 | 2.5 N•m /0.25 N•m | |
| 외함 보호등급 (코드) | IP 20 | |
| 적용 시스템 | TN-C | |
| 설치 형식 | 35 mm 표준 DIN 레일 | |
| 난연 등급 | UL94 V-0 | |

