
|
温度
|
–40 °C to 85 °C
|
|
相对湿度
|
5% to 95% (+25 °C)
|
|
海拔
|
–500 m to +3000 m
|
|
型号
|
ZGGFB50-385(1+1)Y
|
ZGGFB50-385(3+1)Y
|
|
SPD 按照IEC 61643-11
|
Class I + Class II
|
|
|
SPD 按照EN 61643-11
|
Type 1 + Type 2
|
|
|
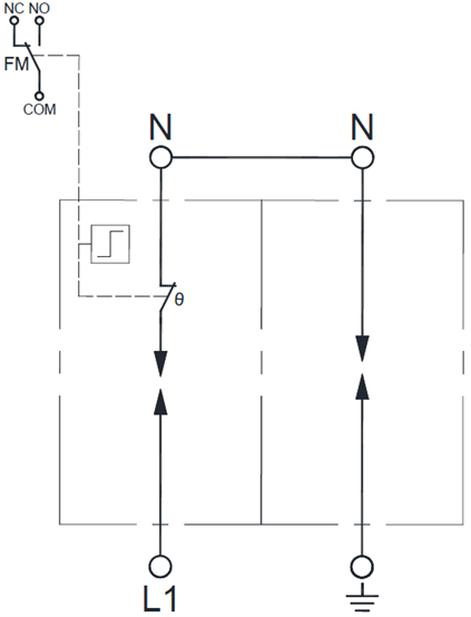
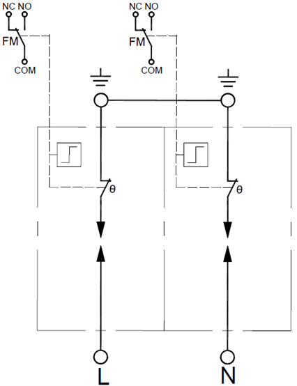
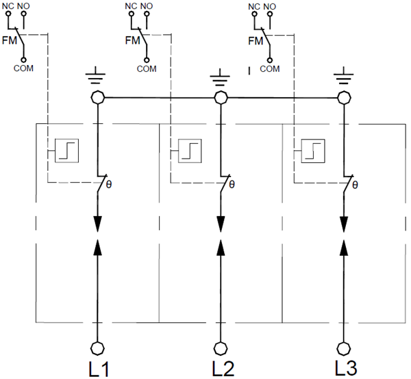
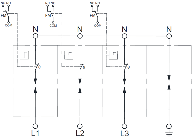
端口数量
|
一端口
|
|
|
接入模式
|
并联
|
|
|
被保护系统电网电压
U0(L-N 相电压) |
230 V 50/60 Hz
|
|
|
最大持续运行电压 Uc
|
385 V (L-N), 255 V (N-PE) 50/60 Hz
|
|
|
低压系统类型
|
TN, TT
|
|
|
保护模式
|
L-N, N-PE
|
|
|
标称放电电流 In(8/20 μs)
|
50 kA (L-N), 100 kA (N-PE)
|
|
|
冲击放电电流 Iimp(10/350 μs)
|
50 kA (L-N), 100 kA (N-PE)
|
|
|
电荷量 Q
|
25 As (L-N), 50 As (N-PE)
|
|
|
比能量 W/R
|
625 kJ/Ω (L-N), 2500 kJ/Ω (N-PE)
|
|
|
电压保护水平 UP
|
2.5 kV (L-N), 2.0 kV (N-PE)
|
|
|
测量限制电压 UL(at Iimp)
|
≤1.0 kV (after 10 μs ) (L-N)
|
|
|
额定断开续流值 Ifi
|
3 kA (at 385 V a.c.) (L-N); 0.1 kA (at 255 V a.c.) (N-PE)
|
|
|
额定短路电流 ISCCR
|
3 kA (L-N)
|
|
|
电涌冲击耐受能力(10/350 μs)
|
25 kA (10 次,间隔 5 min) (L-N)
|
|
|
响应时间 tA
|
≤ 100 ns
|
|
|
泄漏电流
|
≤ 1 mA
|
|
|
剩余电流 IPE
|
≤ 1 mA
|
|
|
暂时过电压(TOV)
|
UT =442 V, tT =120 min (L-N); UT =1200 V, tT =200 ms (N-PE)
|
|
|
应用场合
|
户内
|
|
|
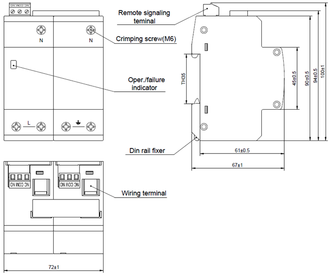
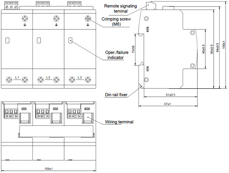
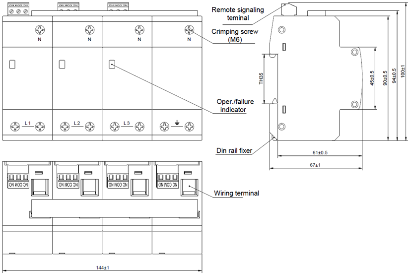
安装方式
|
35 mm导轨 (TH 35 型,根据 IEC/EN 60715)
|
|
|
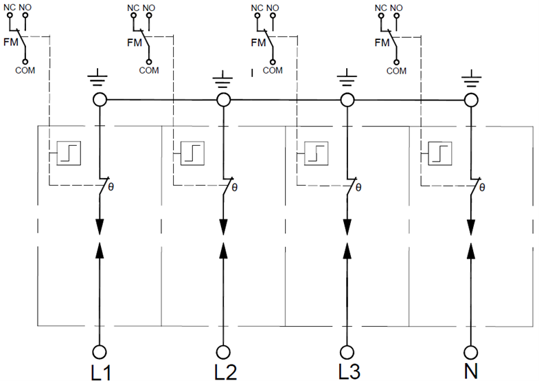
状态指示
|
Green: normal; Red: fault
|
|
|
电源接线端子可夹紧导线面积
|
6 mm2 to 25 mm2多芯线缆
|
|
|
扭矩:接线端子/遥信接口
|
2.5 N·m/0.25 N·m
|
|
|
遥信接线参数
|
AC: 250 V/0.5 A, 125 V/1 A; DC: 30 V/0.1 A
|
|
|
遥信接口可夹紧导线面积
|
0.5 mm2 to 1.5 mm2
|
|
|
储存期
|
2 年
|
|
|
保质期
|
2 年
|
|
|
型号
|
ZGGFB50-385(2+0)Y
|
ZGGFB50-385(3+0)Y
|
ZGGFB50-385(4+0)Y
|
|
SPD 按照IEC 61643-11
|
Class I + Class II
|
||
|
SPD 按照EN 61643-11
|
Type 1 + Type 2
|
||
|
端口数量
|
一端口
|
||
|
接入模式
|
并联
|
||
|
被保护系统电网电压
U0(L-N 相电压) |
230 V 50/60 Hz
|
||
|
最大持续运行电压 Uc
|
385 V 50/60 Hz
|
||
|
低压系统类型
|
TN
|
||
|
保护模式
|
L-PE, N-PE
|
L-PE
|
L-PE, N-PE
|
|
标称放电电流 In(8/20 μs)
|
50 kA
|
||
|
冲击放电电流 Iimp(10/350 μs)
|
50 kA
|
||
|
电荷量 Q
|
25 As
|
||
|
比能量 W/R
|
625 kJ/Ω
|
||
|
电压保护水平 UP
|
2.5 kV
|
||
|
测量限制电压 UL(at Iimp)
|
≤1.0 kV (after 10 μs )
|
||
|
额定断开续流值 Ifi
|
3 kA (at 385 V a.c.)
|
||
|
额定短路电流 ISCCR
|
3 kA
|
||
|
电涌冲击耐受能力(10/350 μs)
|
25 kA (10 次,间隔 5 min)
|
||
|
响应时间 tA
|
≤ 100 ns
|
||
|
泄漏电流
|
≤ 1 mA
|
||
|
剩余电流 IPE
|
≤ 1 mA
|
||
|
暂时过电压(TOV)
|
UT =442 V, tT =120 min
|
||
|
应用场合
|
Indoor
|
||
|
安装方式
|
35 mm 导轨 (TH 35 型,根据 IEC/EN 60715)
|
||
|
状态指示
|
Green: normal; Red: fault
|
||
|
电源接线端子可夹紧导线面积
|
6 mm2 to 25 mm2 多芯线缆
|
||
|
扭矩:接线端子/遥信接口
|
2.5 N·m/0.25 N·m
|
||
|
遥信接线参数
|
AC: 250 V/0.5 A, 125 V/1 A; DC: 30 V/0.1 A
|
||
|
遥信接口可夹紧导线面积
|
0.5 mm2 to 1.5 mm2
|
||
|
储存期
|
2 年
|
||
|
保质期
|
2 年
|
||









